ГОСТ Р 59028-2020 Передача электроэнергии постоянным током высокого напряжения. Преобразователи напряжения. Термины и определения
ГОСТ Р
Скачать ГОСТ в PDF или DOC бесплатно
Основная информация
Обозначение:
ГОСТ Р 59028-2020
Статус:
Действует
Тип:
ГОСТ Р
Название русское:
Передача электроэнергии постоянным током высокого напряжения. Преобразователи напряжения. Термины и определения
Название английское:
High-voltage direct current transmission. Voltage-sourced converters. Terms and definitions
Даты и сроки
Дата издания:
12-09-20
Дата введения в действие:
01-01-21
Дата завершения срока действия:
-
Применение и описание
Область и условия применения:
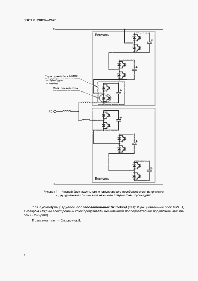
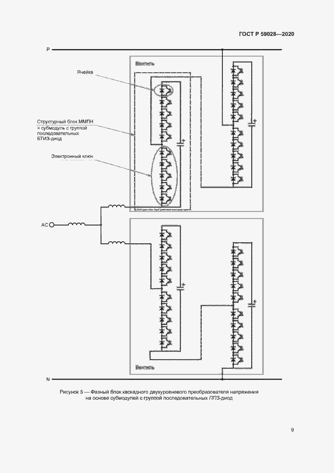
Настоящий стандарт устанавливает термины и определения понятий, относящихся к системам передачи электроэнергии постоянного тока высокого напряжения (далее – ПТВН) и преобразовательным подстанциям ПТВН на основе самокоммутирующихся преобразователей напряжения. Настоящий стандарт распространяется на преобразователи напряжения на основе биполярных транзисторов с изолированным затвором, однако также может использоваться и для полупроводниковых устройств другого типа, которые могут запираться и отпираться посредством управляющего действия. Настоящий стандарт не распространяется на преобразователи с линейной коммутацией (преобразователи тока) для систем передачи электроэнергии ПТВН
Связи и замены
Заменяющий:
-
Описание стандарта
ГОСТ Р 59028-2020 Передача электроэнергии постоянным током высокого напряжения. Преобразователи напряжения. Термины и определения
Страницы стандарта


































