ГОСТ IEC 61643-12-2022 Устройства защиты от импульсных перенапряжений низковольтные. Часть 12. Устройства защиты от импульсных перенапряжений в низковольтных силовых распределительных системах. Принципы выбора и применения
ГОСТ МЭК
Скачать ГОСТ в PDF или DOC бесплатно
Основная информация
Обозначение:
ГОСТ IEC 61643-12-2022
Статус:
Действует
Тип:
ГОСТ МЭК
Название русское:
Устройства защиты от импульсных перенапряжений низковольтные. Часть 12. Устройства защиты от импульсных перенапряжений в низковольтных силовых распределительных системах. Принципы выбора и применения
Название английское:
Low-voltage surge protective devices. Part 12. Surge protective devices connected to low-voltage power distribution systems. Selection and application principles
Даты и сроки
Дата регистрации:
08-31-22
Дата издания:
10-19-22
Дата введения в действие:
03-01-23
Дата завершения срока действия:
-
Применение и описание
Область и условия применения:
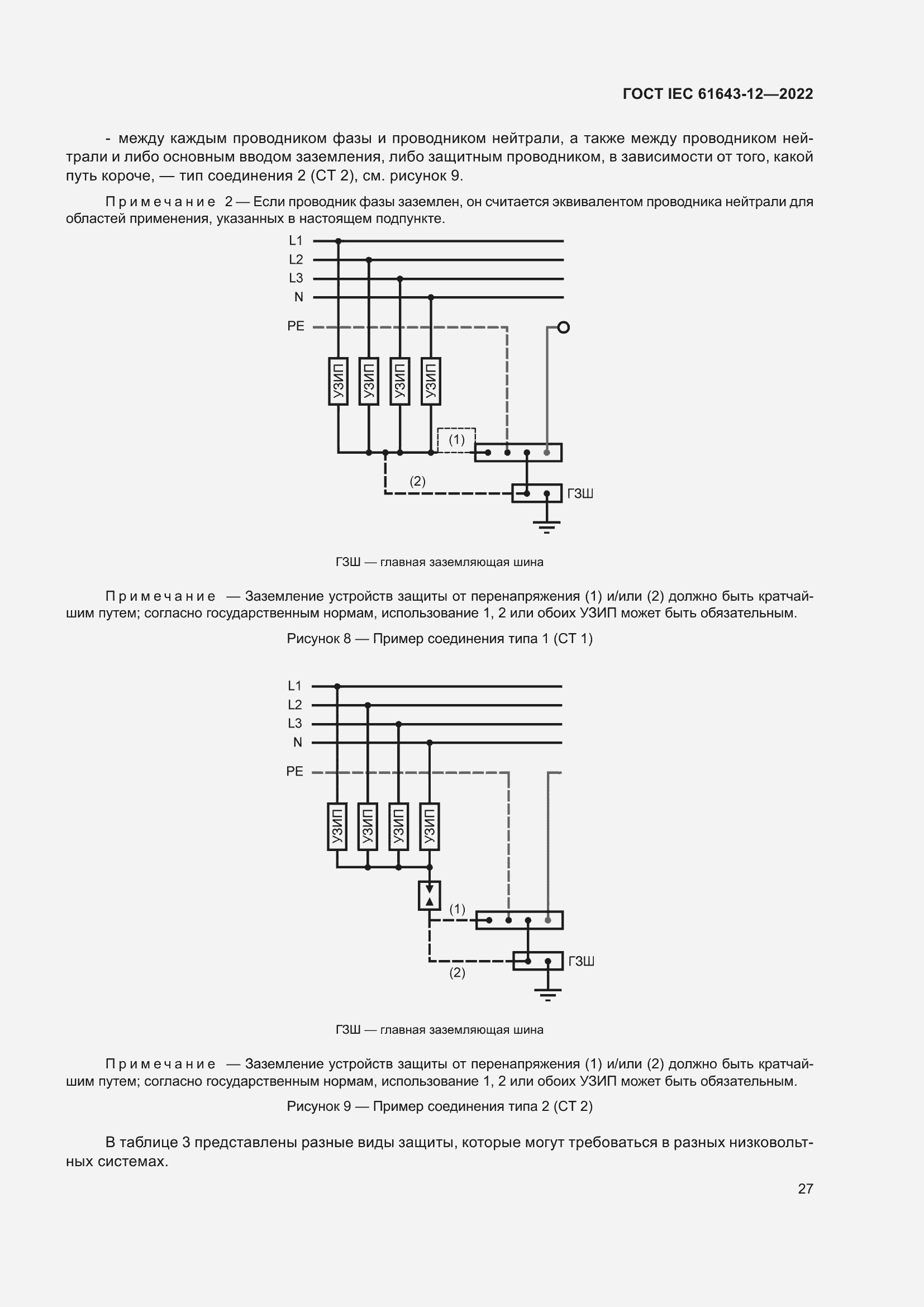
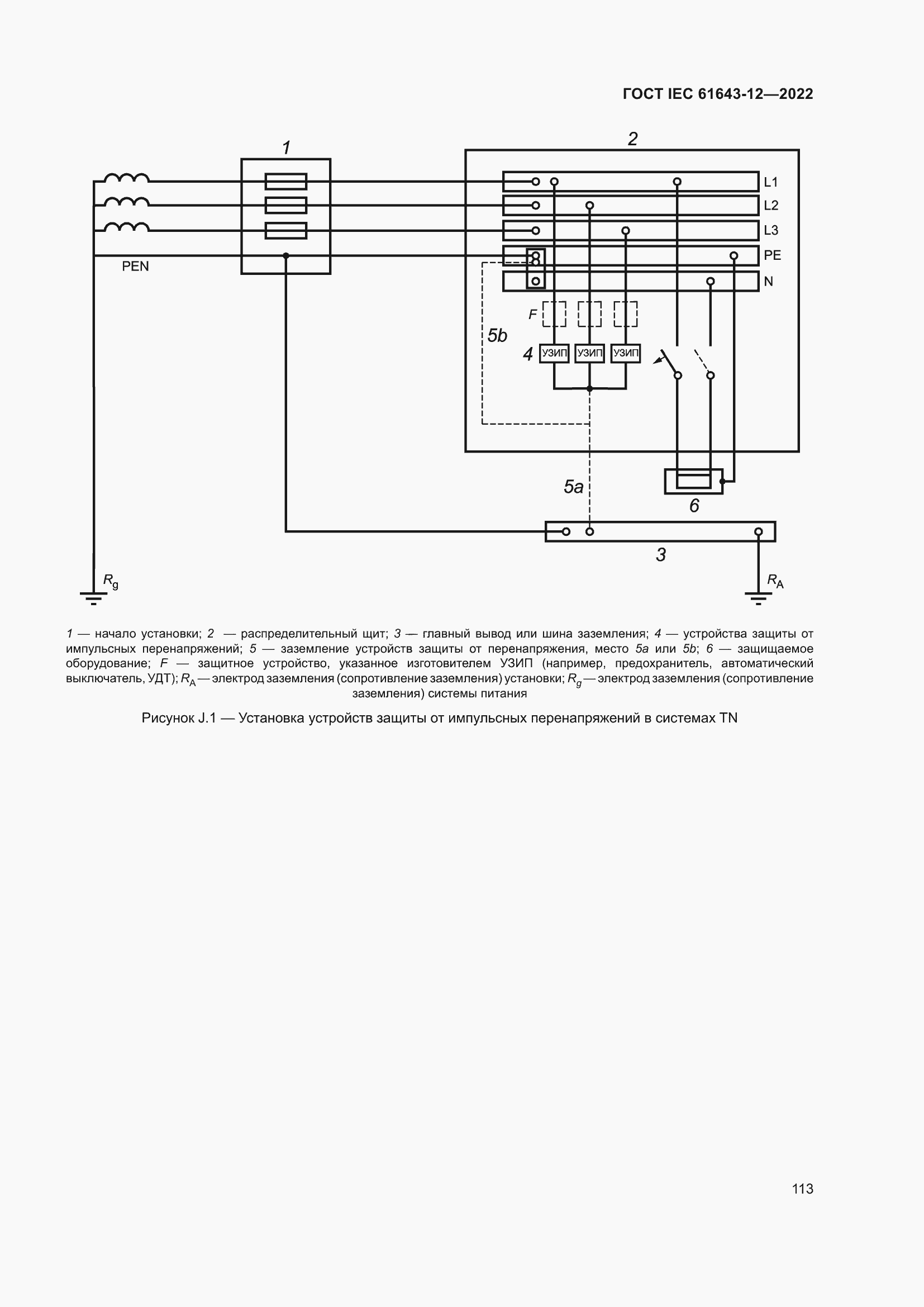
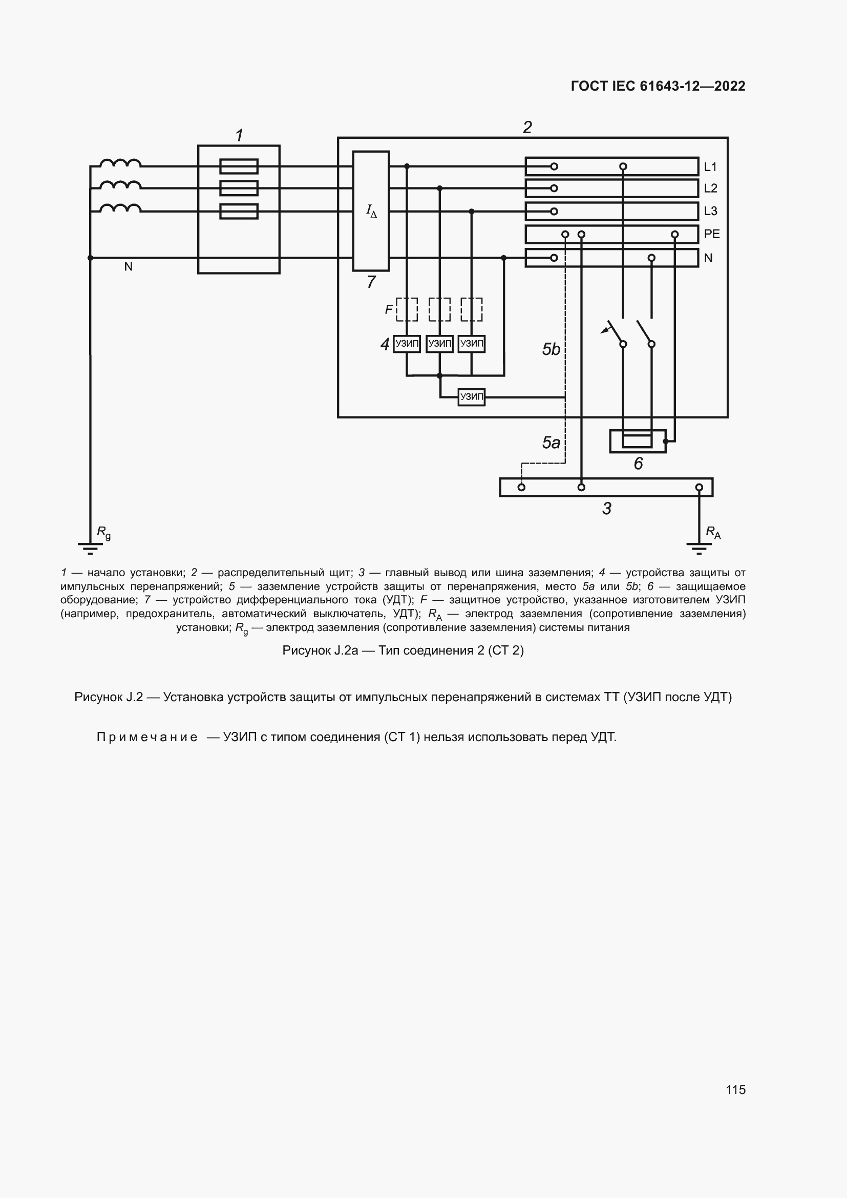
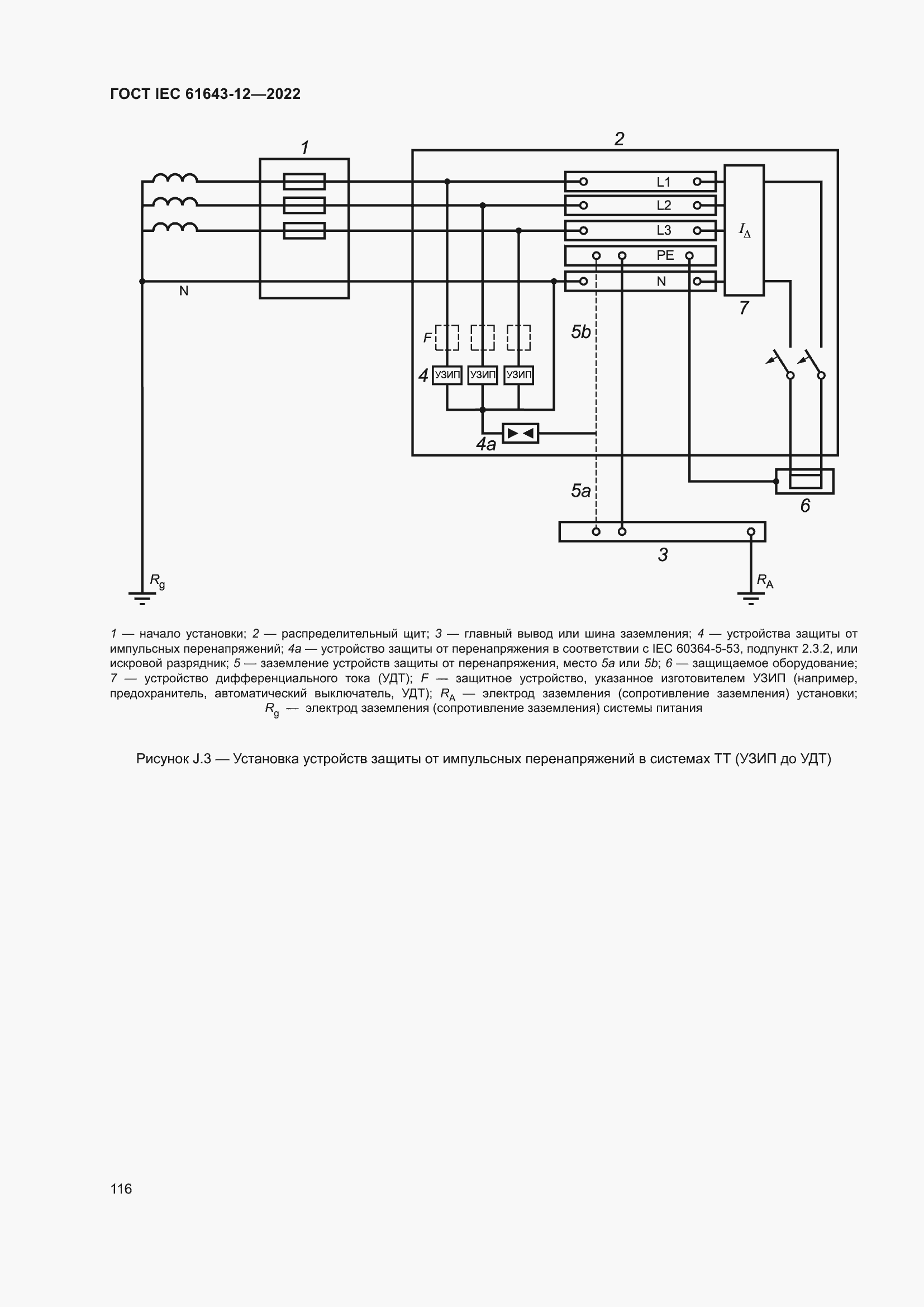
Настоящий стандарт указывает принципы выбора, работы, размещения и координации УЗИП, предназначенных для подключения к силовым цепям переменного тока частотой 50-60 Гц на номинальное напряжение до 1 000 В (действующее значение). Эти устройства содержат, по крайней мере, один нелинейный компонент и предназначены для ограничения импульсных перенапряжений и отвода импульсных токов
Связи и замены
Заменяющий:
-
Описание стандарта
ГОСТ IEC 61643-12-2022 Устройства защиты от импульсных перенапряжений низковольтные. Часть 12. Устройства защиты от импульсных перенапряжений в низковольтных силовых распределительных системах. Принципы выбора и применения
Страницы стандарта






































































































































































