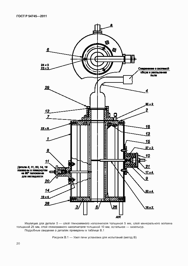
ГОСТ Р 54745-2011 Взрывоопасные среды. Часть 20-2. Характеристики материалов. Методы испытаний горючей пыли
ГОСТ Р
Скачать ГОСТ в PDF или DOC бесплатно
Основная информация
Обозначение:
ГОСТ Р 54745-2011
Статус:
Отменен
Тип:
ГОСТ Р
Название русское:
Взрывоопасные среды. Часть 20-2. Характеристики материалов. Методы испытаний горючей пыли
Название английское:
Explosive atmospheres. Part 20-2. Material characteristics. Combustible dusts test methods
Даты и сроки
Дата издания:
02-06-13
Дата введения в действие:
01-01-13
Дата завершения срока действия:
06-01-19
Применение и описание
Область и условия применения:
Настоящий стандарт распространяется на взрывоопасные среды и устанавливает методы определения харктеристик горючей пыли
Связи и замены
Заменяющий:
-
Изменения и переиздания
Список изменений:
№0 от (рег. ) «Текстовое изменение; Изменено заглавие»
Описание стандарта
ГОСТ Р 54745-2011 Взрывоопасные среды. Часть 20-2. Характеристики материалов. Методы испытаний горючей пыли
Страницы стандарта










































