ГОСТ Р 50671-94 Компенсаторы сильфонные металлические для трубопроводов электрических станций и тепловых сетей. Типы, основные параметры и общие технические требования
ГОСТ Р
Скачать ГОСТ в PDF или DOC бесплатно
Основная информация
Обозначение:
ГОСТ Р 50671-94
Статус:
Действует
Тип:
ГОСТ Р
Название русское:
Компенсаторы сильфонные металлические для трубопроводов электрических станций и тепловых сетей. Типы, основные параметры и общие технические требования
Название английское:
Metal bellows expansion joints for the pipelines of electric power stations and heat-supply systems. Types, basic parameters and general technical requirements
Даты и сроки
Дата издания:
04-17-94
Дата введения в действие:
01-01-95
Дата завершения срока действия:
-
Применение и описание
Область и условия применения:
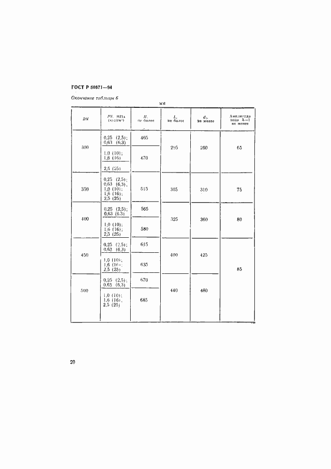
Настоящий стандарт распространяется на металлические сильфонные компенсаторы, предназначенные для герметичного соединения перемещающихся элементов трубопроводов электрических станций и тепловых сетей. Стандарт не распространяется на компенсаторы, предназначенные для магистральных нефтепроводов и газопроводов
Связи и замены
Заменяющий:
-
Описание стандарта
ГОСТ Р 50671-94 Компенсаторы сильфонные металлические для трубопроводов электрических станций и тепловых сетей. Типы, основные параметры и общие технические требования
Страницы стандарта








































