ГОСТ 30852.4-2002 Электрооборудование взрывозащищенное. Часть 3. Искрообразующие механизмы для испытаний электрических цепей на искробезопасность
ГОСТ
Скачать ГОСТ в PDF или DOC бесплатно
Основная информация
Обозначение:
ГОСТ 30852.4-2002
Статус:
Действует
Тип:
ГОСТ
Название русское:
Электрооборудование взрывозащищенное. Часть 3. Искрообразующие механизмы для испытаний электрических цепей на искробезопасность
Название английское:
Electrical apparatus for explosive gas atmospheres. Part 3. Spark-test apparatus for intrinsically-safe circuits
Даты и сроки
Дата регистрации:
11-06-02
Дата издания:
07-21-14
Дата введения в действие:
02-15-14
Дата завершения срока действия:
-
Применение и описание
Область и условия применения:
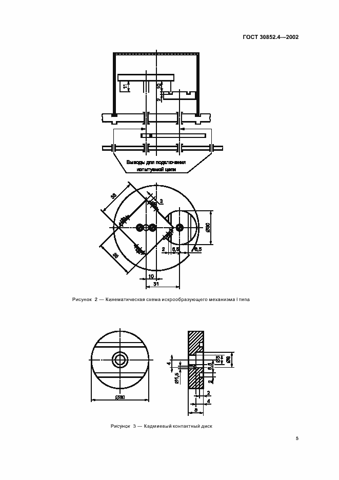
Настоящий стандарт распространяется на взрывозащищенное электрооборудование (электротехнические устройства) групп I и II с взрывозащитой вида «искробезопасная электрическая цепь», а также на электрооборудование с взрывозащитой других видов, имеющее искробезопасные и связанные с ними искроопасные электрические цепи. Стандарт распространяется также на электрические цепи невзрывозащищенного электрооборудования, которые гальванически связаны с искробезопасными цепями взрывозащищенного электрооборудования и влияют на их искробезопасность. Стандарт устанавливает технические требования к конструкции и области применения искрообразующих механизмов, предназначенных для испытания на искробезопасность активных, индуктивных, емкостных, а также комбинированных из них электрических цепей электрооборудования. Требования настоящего стандарта являются обязательными
Связи и замены
Заменяющий:
-
Описание стандарта
ГОСТ 30852.4-2002 Электрооборудование взрывозащищенное. Часть 3. Искрообразующие механизмы для испытаний электрических цепей на искробезопасность
Страницы стандарта



















