ГОСТ 31610.25-2022 Взрывоопасные среды. Часть 25. Искробезопасные системы
ГОСТ
Скачать ГОСТ в PDF или DOC бесплатно
Основная информация
Обозначение:
ГОСТ 31610.25-2022
Статус:
Действует
Тип:
ГОСТ
Название русское:
Взрывоопасные среды. Часть 25. Искробезопасные системы
Название английское:
Explosive atmospheres. Part 25. Intrinsically safe systems
Даты и сроки
Дата регистрации:
07-14-22
Дата издания:
09-13-22
Дата введения в действие:
07-01-23
Дата завершения срока действия:
-
Применение и описание
Область и условия применения:
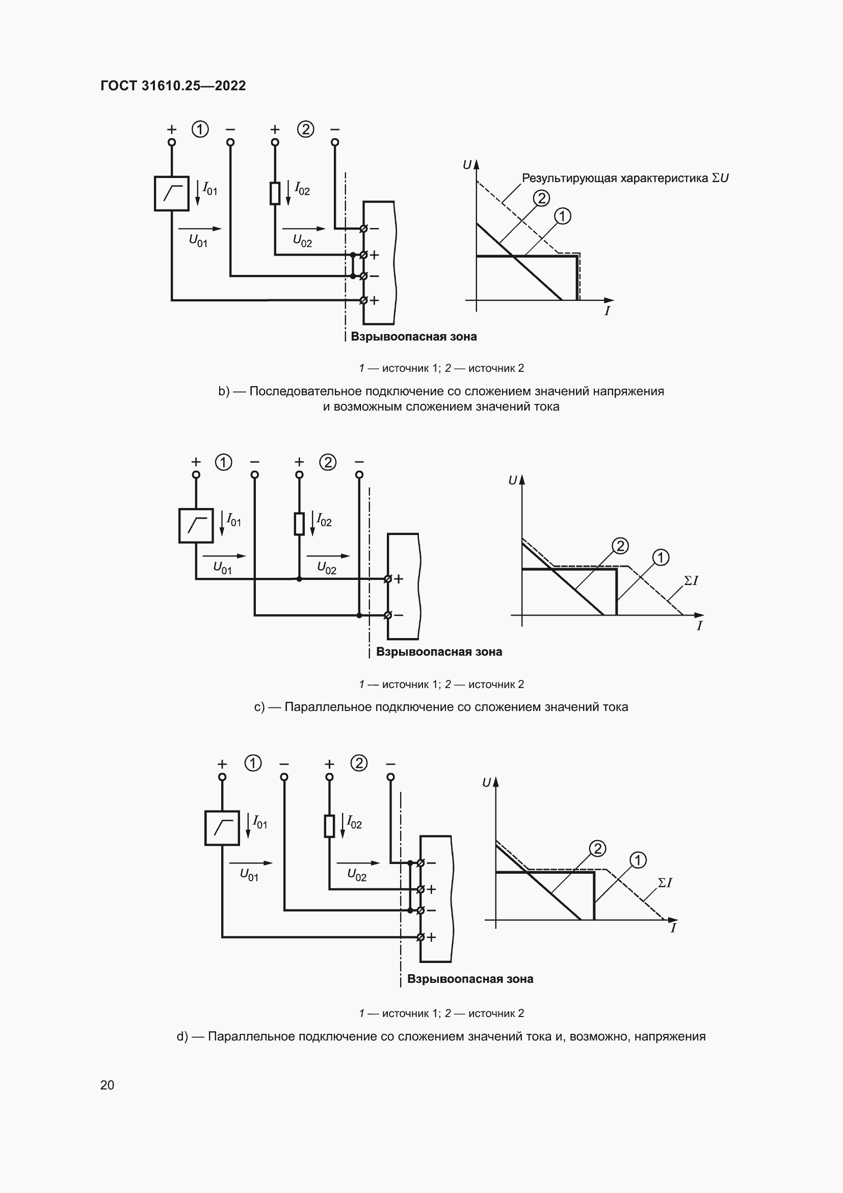
Настоящий стандарт устанавливает особые требования к проектированию, конструкции и оценке искробезопасных систем с видом взрывозащиты «i», предназначенных для применения, полностью или частично, в местах, в которых требуется применение Ех-оборудования групп I, II или III
Связи и замены
Заменяющий:
-
Описание стандарта
ГОСТ 31610.25-2022 Взрывоопасные среды. Часть 25. Искробезопасные системы
Страницы стандарта






















































Приложение №1: Поправка к ГОСТ 31610.25-2022 Обозначение: Поправка к ГОСТ 31610.25-2022 Дата введения в действие: 12.03.2025
