ГОСТ 24013-80 Резисторы постоянные. Основные параметры
ГОСТ
Скачать ГОСТ в PDF или DOC бесплатно
Основная информация
Обозначение:
ГОСТ 24013-80
Статус:
Действует
Тип:
ГОСТ
Название русское:
Резисторы постоянные. Основные параметры
Название английское:
Fixed resistors. Main parameters
Даты и сроки
Дата издания:
04-01-93
Дата введения в действие:
06-30-81
Дата завершения срока действия:
-
Применение и описание
Область и условия применения:
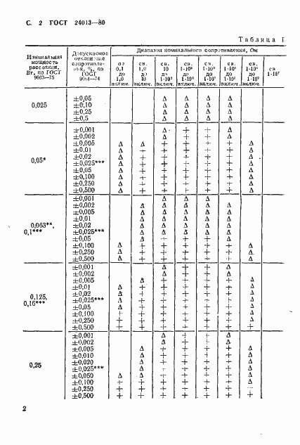
Настоящий стандарт распространяется на постоянные проволочные, металлофольговые и непроволочные резисторы и устанавливает ряды и допускаемые сочетания значений их основных параметров. Стандарт не распространяется на СВЧ резисторы
Связи и замены
Заменяющий:
-
Изменения и переиздания
Список изменений:
№1 от (рег. ) «Срок действия продлен» №2 от (рег. ) «Срок действия продлен»
Описание стандарта
ГОСТ 24013-80 Резисторы постоянные. Основные параметры
Страницы стандарта








