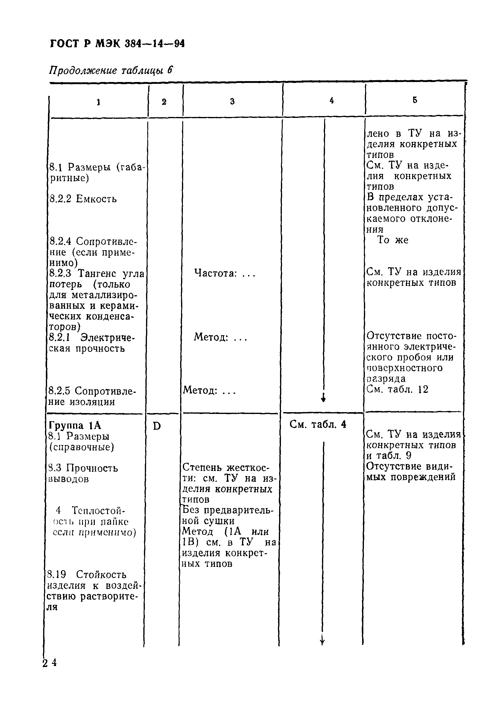
ГОСТ Р МЭК 384-14-94 Конденсаторы постоянной емкости для электронной аппаратуры. Часть 14. Групповые технические условия на конденсаторы постоянной емкости для подавления электромагнитных помех и соединения с питающими магистралями
ГОСТ Р МЭК
Скачать ГОСТ в PDF или DOC бесплатно
Основная информация
Обозначение:
ГОСТ Р МЭК 384-14-94
Статус:
Заменен
Тип:
ГОСТ Р МЭК
Название русское:
Конденсаторы постоянной емкости для электронной аппаратуры. Часть 14. Групповые технические условия на конденсаторы постоянной емкости для подавления электромагнитных помех и соединения с питающими магистралями
Название английское:
Fixed capacitors for use in electronic equipment. Part 14. Sectional specification. Fixed capacitors for electromagnetic interference suppression and connection to the supply mains
Даты и сроки
Дата издания:
05-30-94
Дата введения в действие:
01-01-95
Дата завершения срока действия:
07-01-05
Применение и описание
Область и условия применения:
Настоящий стандарт распространяется на конденсаторы постоянной емкости и резисторно-конденсаторные сборки для подавления электромагнитных помех, для применения внутри или связанных с электронными или электрическими приборами и машинами, где конденсаторы подсоединяются к питающим магистралям с постоянным или переменным напряжением между питающими проводами не выше 500 В или 250 В между любым питающим проводом и землей при частоте не более 100 Гц. Стандарт распространяется на сборки двух и более конденсаторов в одном корпусе. Стандарт распространяется на сборки из параллельно соединенных резисторов-конденсаторов, в которых резистор действует в качестве разрядного резистора для конденсатора. Настоящий стандарт обеспечивает национальные испытательные станции программой испытаний по безопасности для целей сертификации
Связи и замены
Заменяющий:
ГОСТ Р МЭК 60384-14-2004
Изменения и переиздания
Список изменений:
№0 от (рег. ) «Дата введения перенесена»
Описание стандарта
ГОСТ Р МЭК 384-14-94 Конденсаторы постоянной емкости для электронной аппаратуры. Часть 14. Групповые технические условия на конденсаторы постоянной емкости для подавления электромагнитных помех и соединения с питающими магистралями
Страницы стандарта




























































