ГОСТ Р 50292-92 Конденсаторы постоянной емкости для электронной аппаратуры. Часть 8. Групповые технические условия на конденсаторы постоянной емкости с керамическим диэлектриком типа 1
ГОСТ Р
Скачать ГОСТ в PDF или DOC бесплатно
Основная информация
Обозначение:
ГОСТ Р 50292-92
Статус:
Действует
Тип:
ГОСТ Р
Название русское:
Конденсаторы постоянной емкости для электронной аппаратуры. Часть 8. Групповые технические условия на конденсаторы постоянной емкости с керамическим диэлектриком типа 1
Название английское:
Fixed capacitors for use in electronic equipment. Part 8. Sectional specification. Fixed capacitors of ceramic dielectric class 1
Даты и сроки
Дата издания:
03-31-93
Дата введения в действие:
06-30-93
Дата завершения срока действия:
-
Применение и описание
Область и условия применения:
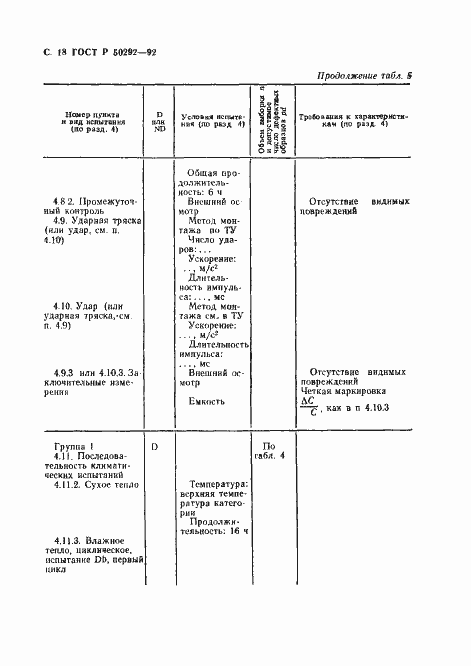
Настоящий стандарт распространяется на конденсаторы постоянной емкости с керамическим диэлектриком с определенным температурным коэффициентом емкости (диэлектрик типа I), предназначенные для применения в электронной аппаратуре, включая безвыводные конденсаторы, и не распространяется на многослойные керамические конденсаторы-чипы
Связи и замены
Заменяющий:
-
Изменения и переиздания
Список изменений:
№0 от (рег. ) «Утратил силу в РФ» №1 от (рег. ) «Срок действия продлен»
Описание стандарта
ГОСТ Р 50292-92 Конденсаторы постоянной емкости для электронной аппаратуры. Часть 8. Групповые технические условия на конденсаторы постоянной емкости с керамическим диэлектриком типа 1
Страницы стандарта













































