ГОСТ Р 57439-2017 Приборы полупроводниковые. Основные размеры
ГОСТ Р
Скачать ГОСТ в PDF или DOC бесплатно
Основная информация
Обозначение:
ГОСТ Р 57439-2017
Статус:
Действует
Тип:
ГОСТ Р
Название русское:
Приборы полупроводниковые. Основные размеры
Название английское:
Semiconductor devices. Basic dimensions
Даты и сроки
Дата издания:
05-03-17
Дата введения в действие:
08-01-17
Дата завершения срока действия:
-
Применение и описание
Область и условия применения:
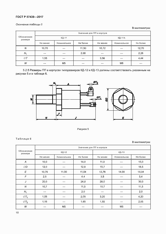
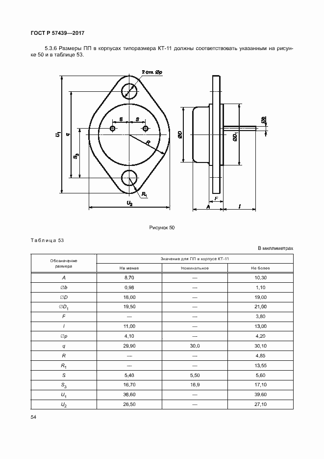
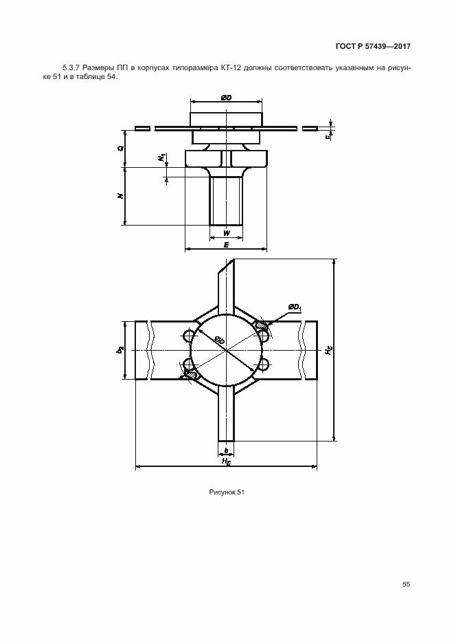
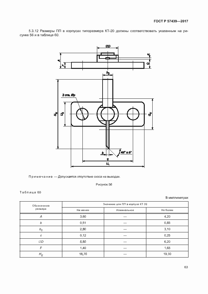
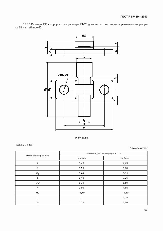
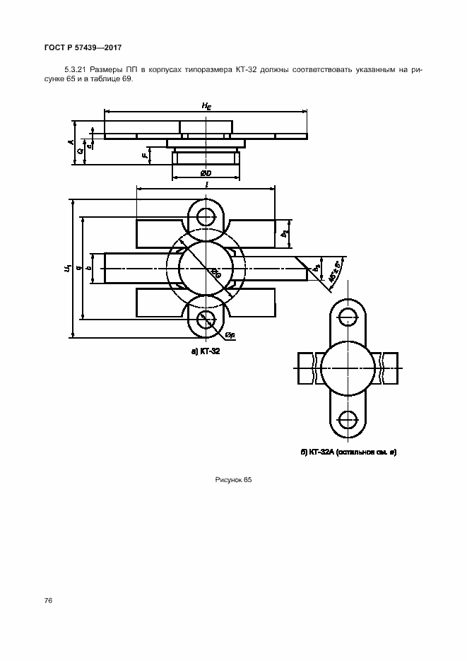
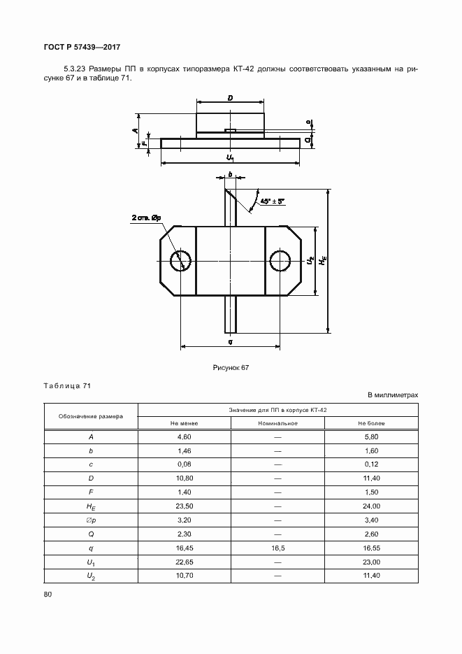
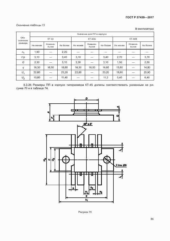
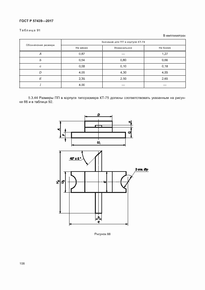
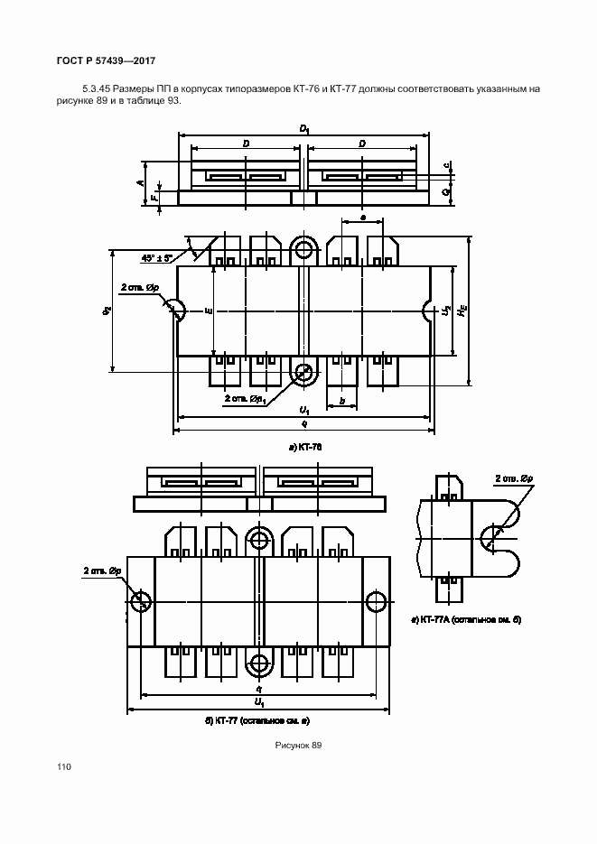
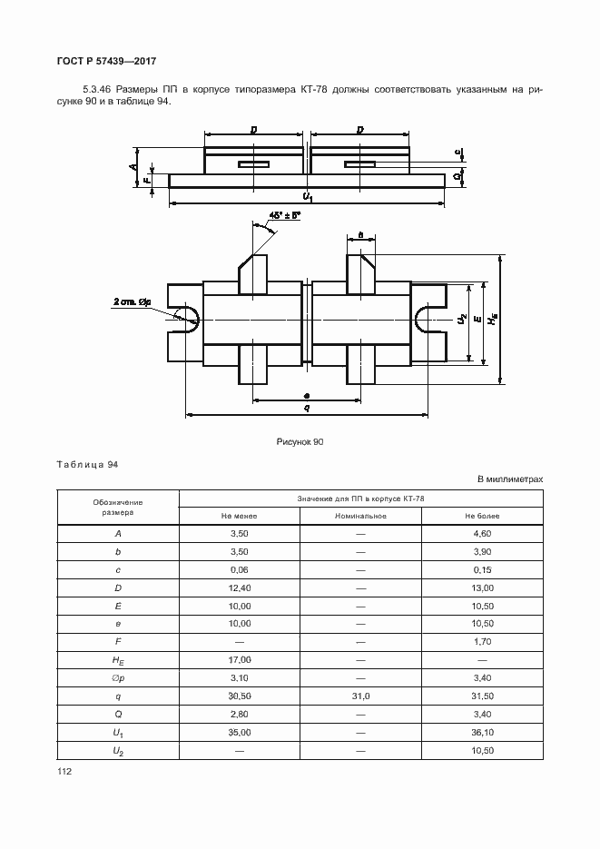
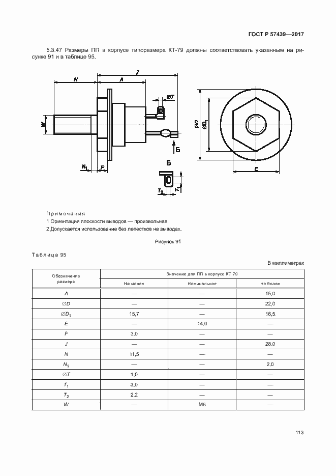
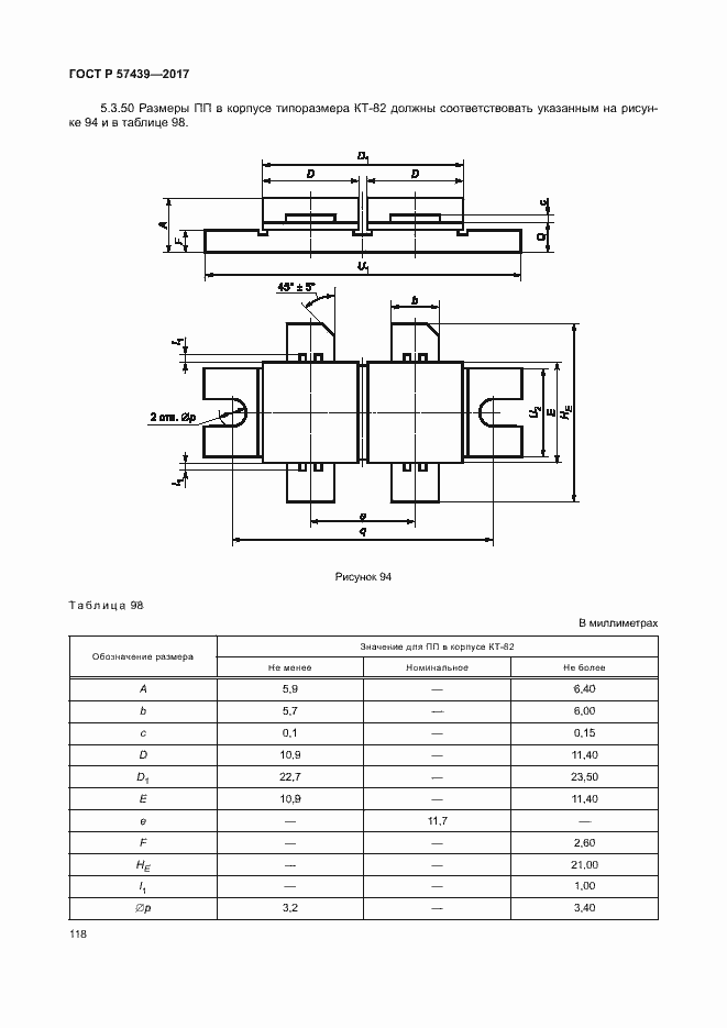
Настоящий стандарт распространяется на приборы полупроводниковые в корпусах и устанавливает их основные габаритные, установочные и присоединительные размеры
Связи и замены
Заменяющий:
-
Описание стандарта
ГОСТ Р 57439-2017 Приборы полупроводниковые. Основные размеры
Страницы стандарта































































































































































