ГОСТ Р МЭК 60268-11-2016 Оборудование звуковых систем. Часть 11. Применение соединителей для соединения элементов звуковых систем
ГОСТ Р МЭК
Скачать ГОСТ в PDF или DOC бесплатно
Основная информация
Обозначение:
ГОСТ Р МЭК 60268-11-2016
Статус:
Действует
Тип:
ГОСТ Р МЭК
Название русское:
Оборудование звуковых систем. Часть 11. Применение соединителей для соединения элементов звуковых систем
Название английское:
Sound system equipment. Part 11. Application of connectors for the interconnection of sound system components
Даты и сроки
Дата издания:
11-03-16
Дата введения в действие:
11-01-17
Дата завершения срока действия:
-
Применение и описание
Область и условия применения:
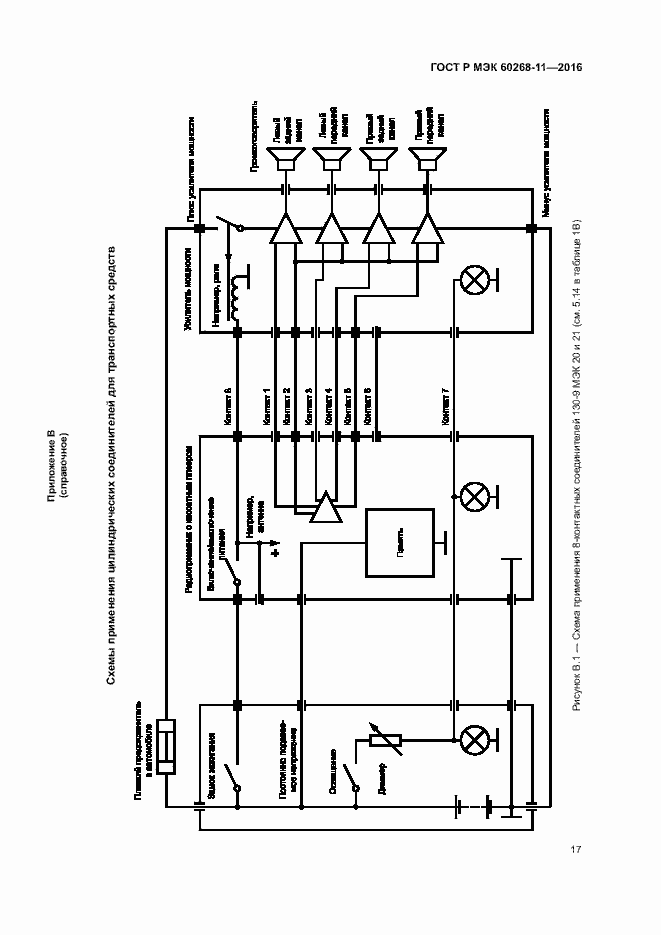
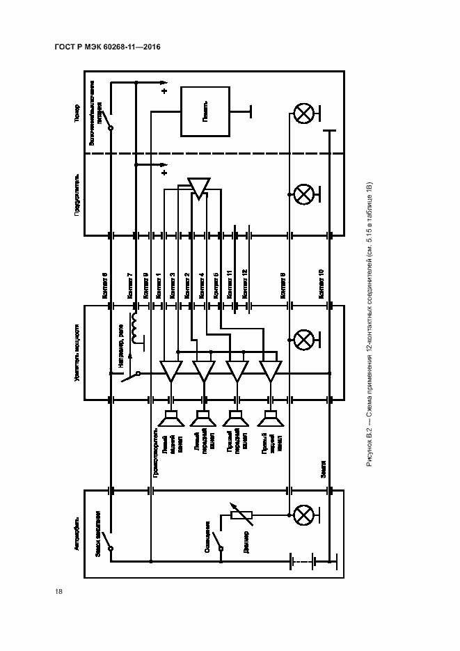
Настоящий стандарт распространяется на цилиндрические и концентрические соединители, используемые для соединения компонентов звуковых систем и устанавливает их область применения, а также схемы расположения и обозначение контактов
Связи и замены
Заменяющий:
-
Описание стандарта
ГОСТ Р МЭК 60268-11-2016 Оборудование звуковых систем. Часть 11. Применение соединителей для соединения элементов звуковых систем
Страницы стандарта























