ГОСТ 32068-2013 Техника телефонная абонентская. Требования безопасности и методы испытаний
ГОСТ
Скачать ГОСТ в PDF или DOC бесплатно
Основная информация
Обозначение:
ГОСТ 32068-2013
Статус:
Действует
Тип:
ГОСТ
Название русское:
Техника телефонная абонентская. Требования безопасности и методы испытаний
Название английское:
Subscribers telephone equipment. Safety requirements and test methods
Даты и сроки
Дата регистрации:
03-25-13
Дата издания:
01-20-15
Дата введения в действие:
01-01-15
Применение и описание
Область и условия применения:
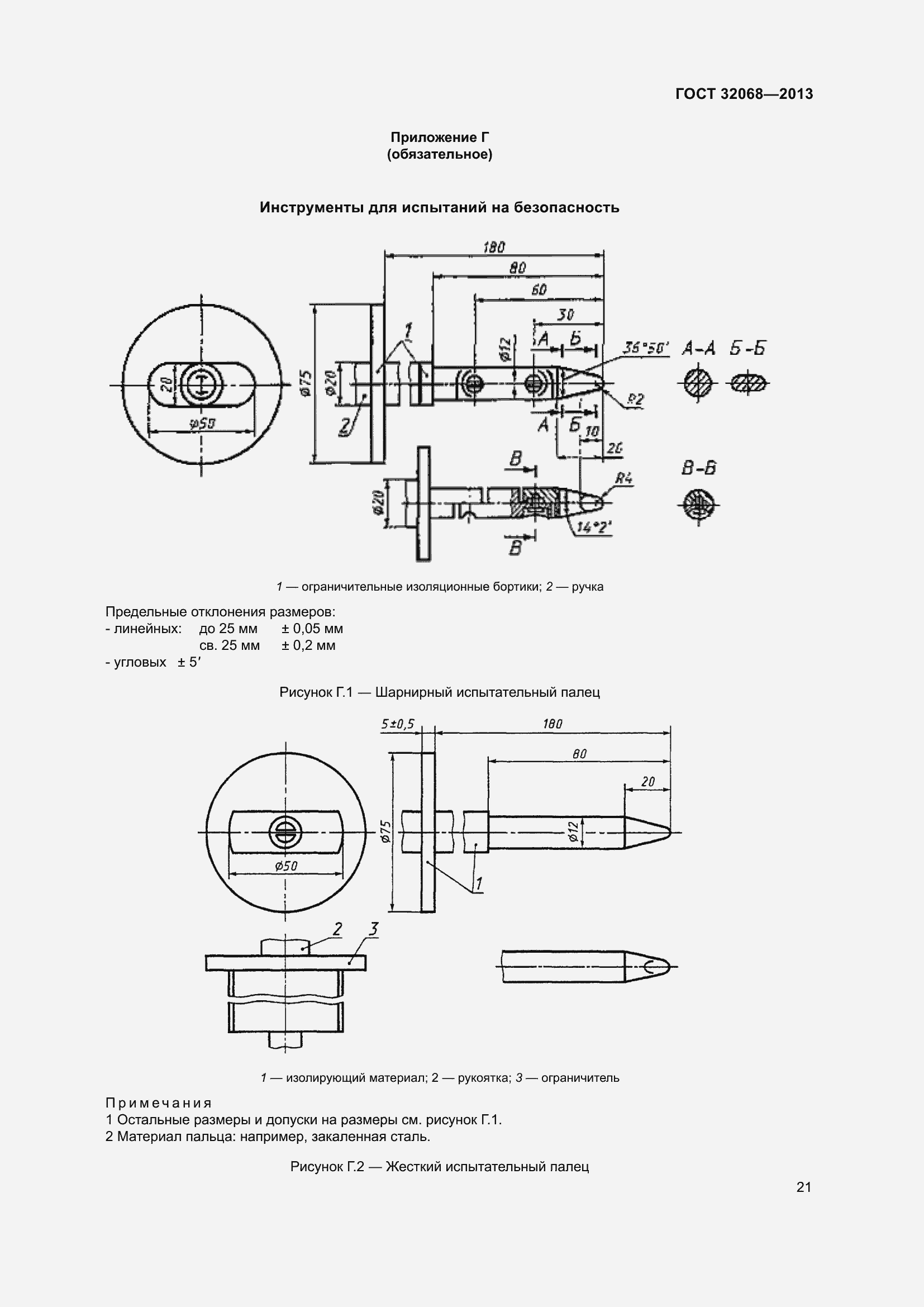
Настоящий стандарт устанавливает нормы, правила и методы испытаний, являющиеся общими для всей абонентской телефонной техники (АТТ), соблюдение которых обеспечивает безопасность пользователей. Требования настоящего стандарта являются обязательными при сертификации АТТ. Стандарт относится только к безопасности АТТ и не распространяется на другие ее свойства
Описание стандарта
ГОСТ 32068-2013 Техника телефонная абонентская. Требования безопасности и методы испытаний
Страницы стандарта

































Приложение №1: Поправка к ГОСТ 32068-2013 Обозначение: Поправка к ГОСТ 32068-2013 Дата введения в действие: 26.01.2023
