ГОСТ Р 51287-99 Техника телефонная абонентская. Требования безопасности и методы испытаний
ГОСТ Р
Скачать ГОСТ в PDF или DOC бесплатно
Основная информация
Обозначение:
ГОСТ Р 51287-99
Статус:
Действует
Тип:
ГОСТ Р
Название русское:
Техника телефонная абонентская. Требования безопасности и методы испытаний
Название английское:
Station telephone subscribers. Requirements for safety and test methods
Даты и сроки
Дата издания:
11-02-20
Дата введения в действие:
07-01-00
Дата завершения срока действия:
-
Применение и описание
Область и условия применения:
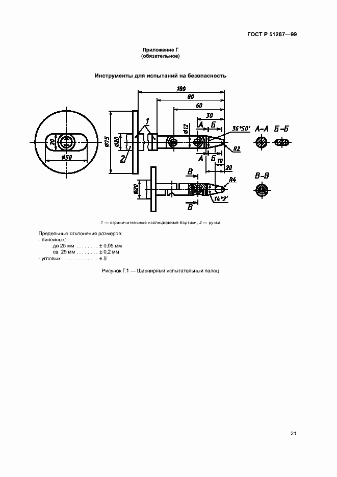
Настоящий стандарт устанавливает нормы, правила и методы испытаний, являющиеся общими для всей абонентской телефонной техники, соблюдение которых обеспечивает безопасность пользователей
Связи и замены
Заменяющий:
-
Изменения и переиздания
Список изменений:
№0 от (рег. ) «Текстовое изменение; Изменено заглавие» №0 от (рег. ) «Восстановлен на территории РФ»
Описание стандарта
ГОСТ Р 51287-99 Техника телефонная абонентская. Требования безопасности и методы испытаний
Страницы стандарта


































