ГОСТ Р 50765-95 Аппаратура радиорелейная. Классификация. Основные параметры цепей стыка
ГОСТ Р
Скачать ГОСТ в PDF или DOC бесплатно
Основная информация
Обозначение:
ГОСТ Р 50765-95
Статус:
Действует
Тип:
ГОСТ Р
Название русское:
Аппаратура радиорелейная. Классификация. Основные параметры цепей стыка
Название английское:
Radiorelay equipment. Classification. Interface basic parameters
Даты и сроки
Дата издания:
07-04-95
Дата введения в действие:
06-30-96
Дата завершения срока действия:
-
Применение и описание
Область и условия применения:
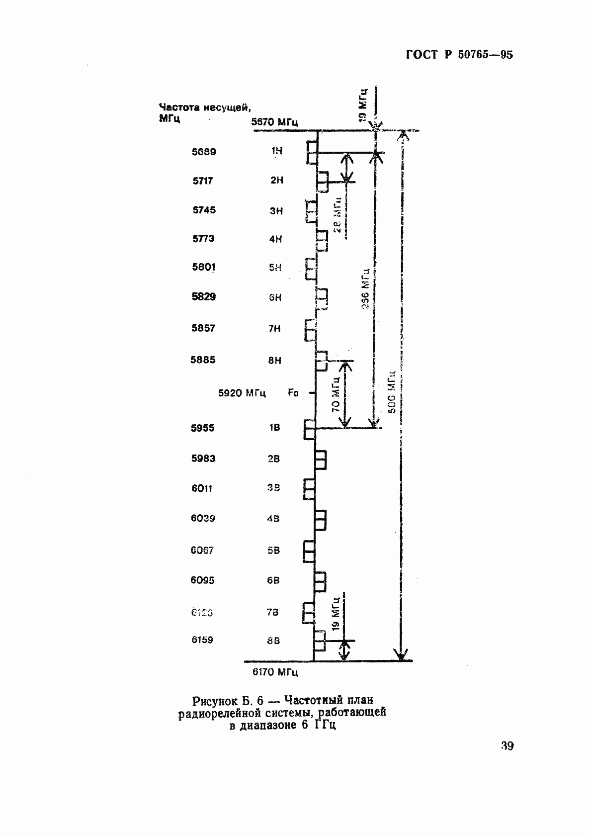
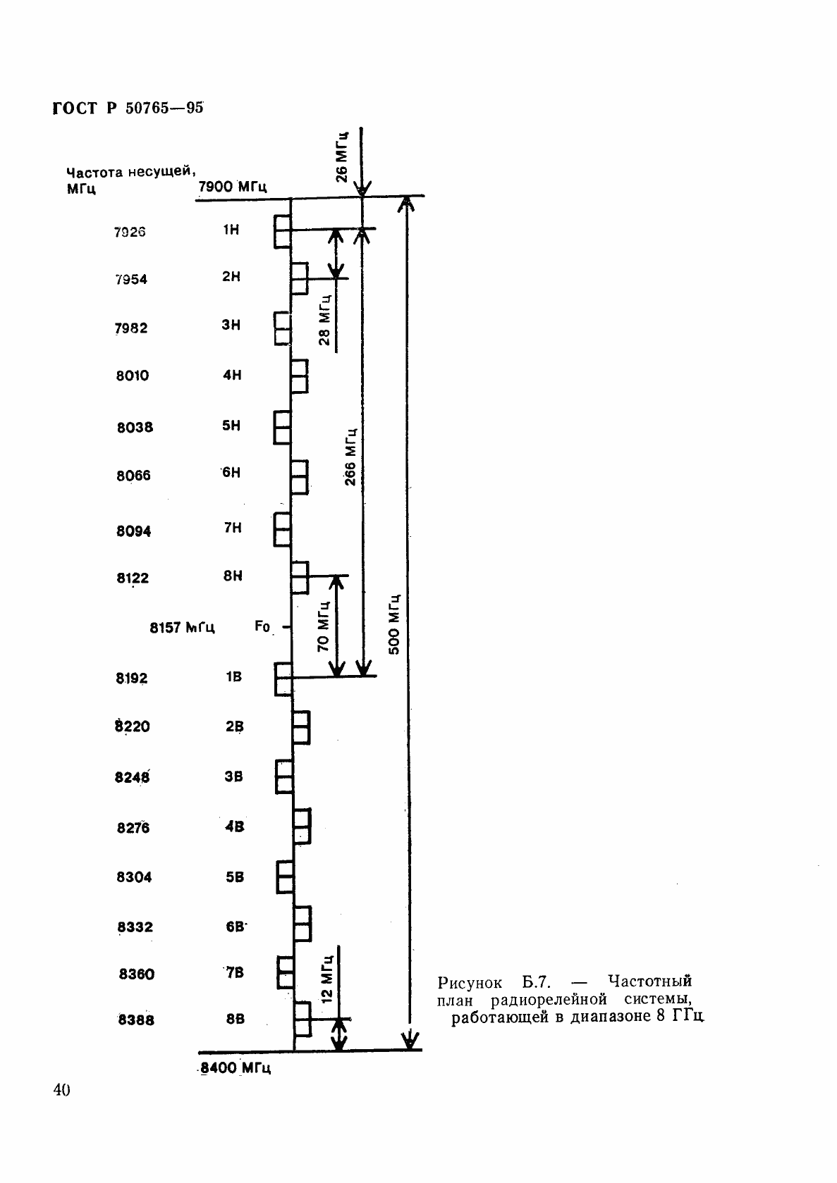
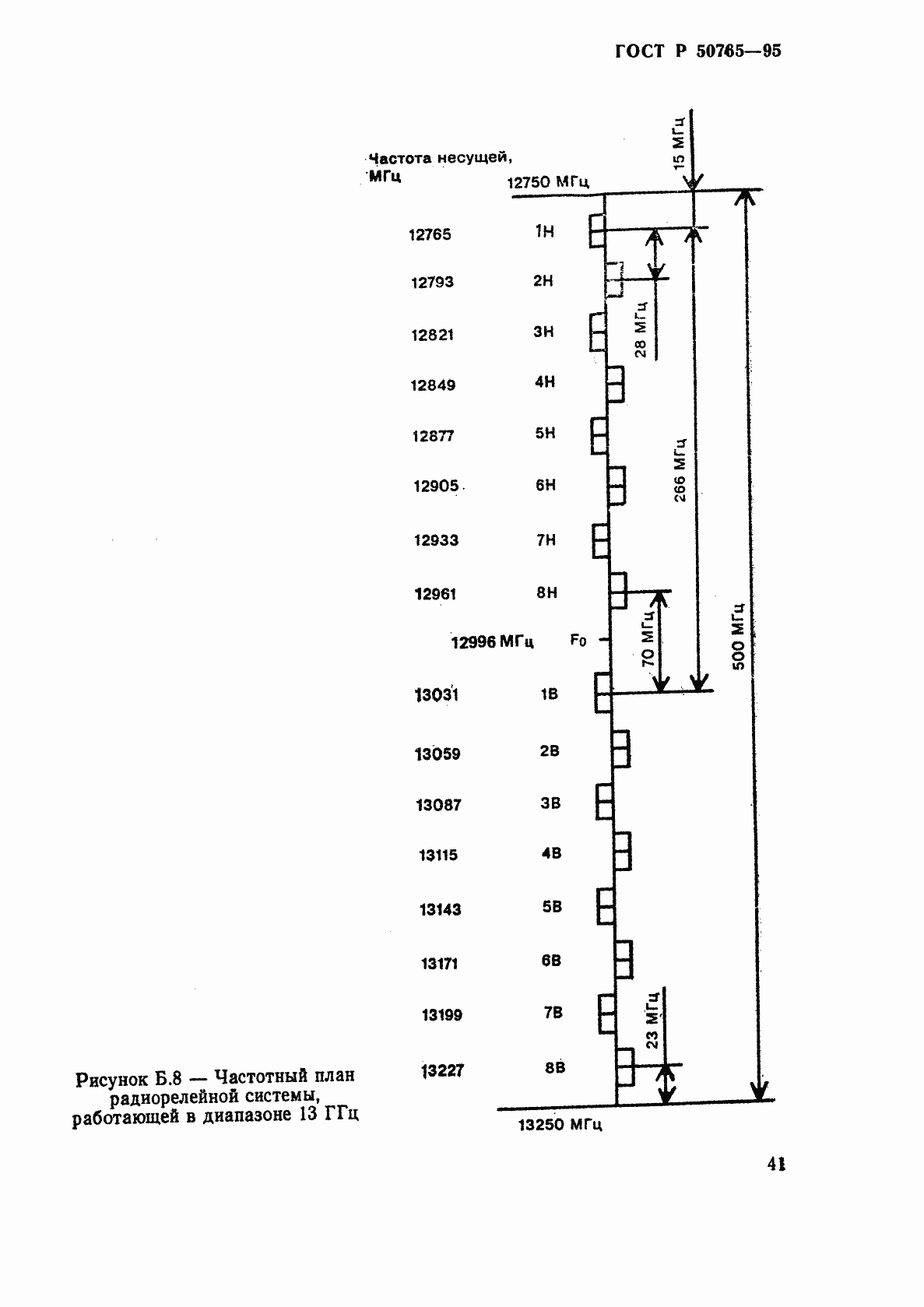
Настоящий стандарт распространяется на вновь разрабатываемую аппаратуру радиорелейных систем передачи прямой видимости диапазонов УВЧ, СВЧ и КВЧ с числом каналов более 12, в которой модуляция несущей осуществляется цифровыми или аналоговыми сигналами (включая передачу сигналов изображения и звука). Стандарт нормирует общие характеристики и параметры цепей в точках соединения по звуковым сигналам, видиосигналу, а также по групповому цифровому промежуточной частоты сигналам
Связи и замены
Заменяющий:
-
Описание стандарта
ГОСТ Р 50765-95 Аппаратура радиорелейная. Классификация. Основные параметры цепей стыка
Страницы стандарта





























































