ГОСТ 30380-95 Совместимость видеомагнитофонов бытовых электромагнитная. Устойчивость к электромагнитным полям и наведенным высокочастотным токам и напряжениям. Методы испытаний
ГОСТ
Скачать ГОСТ в PDF или DOC бесплатно
Основная информация
Обозначение:
ГОСТ 30380-95
Статус:
Действует
Тип:
ГОСТ
Название русское:
Совместимость видеомагнитофонов бытовых электромагнитная. Устойчивость к электромагнитным полям и наведенным высокочастотным токам и напряжениям. Методы испытаний
Название английское:
Electromagnetic compatibility for consumer video tape recorders. Immunity to electromagnetic disturbance. Test methods
Даты и сроки
Дата регистрации:
10-12-95
Дата издания:
01-18-05
Дата введения в действие:
01-01-97
Дата завершения срока действия:
-
Применение и описание
Область и условия применения:
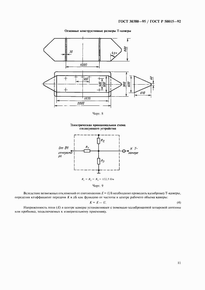
Настоящий стандарт распространяется на бытовые видеомагнитофоны наклонно-строчной записи с магнитной лентой шириной 12,65 и 8,0 мм (ВМ) и устанавливает методы испытаний ВМ на устойчивость к воздействию внешних электромагнитных полей в диапазоне частот 0,15-1000 МГц и наведенных высокочастотных токов и напряжений в диапазоне частот 0,15-150 МГц
Связи и замены
Заменяющий:
-
Описание стандарта
ГОСТ 30380-95 Совместимость видеомагнитофонов бытовых электромагнитная. Устойчивость к электромагнитным полям и наведенным высокочастотным токам и напряжениям. Методы испытаний
Страницы стандарта


















