ГОСТ IEC 61000-4-12-2016 Электромагнитная совместимость (ЭМС). Часть 4-12. Методы испытаний и измерений. Испытание на устойчивость к звенящей волне
ГОСТ МЭК
Скачать ГОСТ в PDF или DOC бесплатно
Основная информация
Обозначение:
ГОСТ IEC 61000-4-12-2016
Статус:
Действует
Тип:
ГОСТ МЭК
Название русское:
Электромагнитная совместимость (ЭМС). Часть 4-12. Методы испытаний и измерений. Испытание на устойчивость к звенящей волне
Название английское:
Electromagnetic compatibility (EMC). Part 4-12. Testing and measurement techniques. Ring wave immunity test
Даты и сроки
Дата регистрации:
03-29-16
Дата издания:
06-01-20
Дата введения в действие:
06-01-17
Дата завершения срока действия:
-
Применение и описание
Область и условия применения:
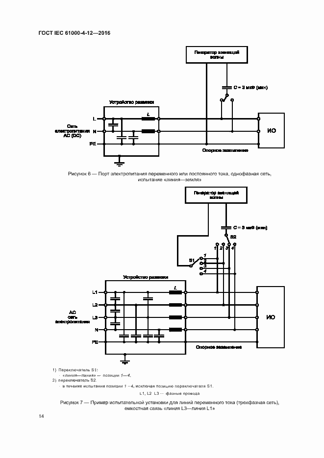
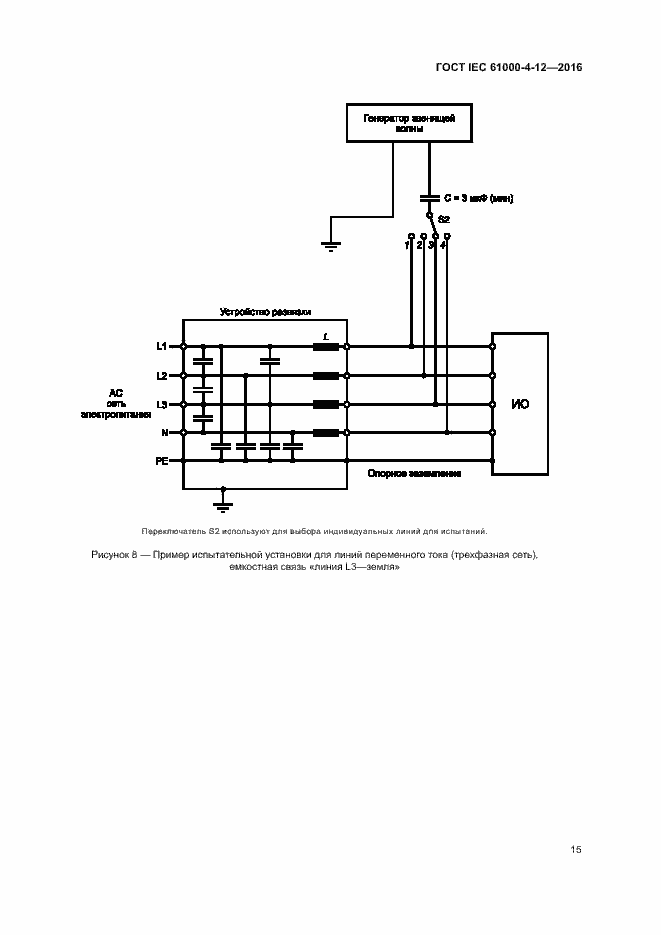
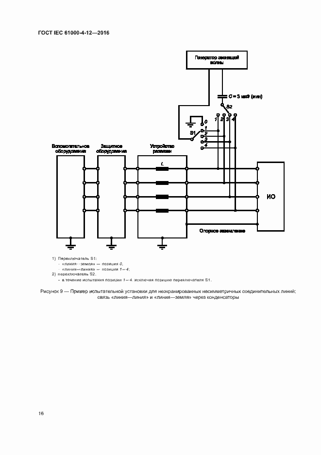
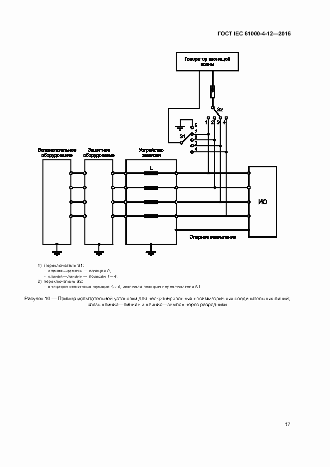
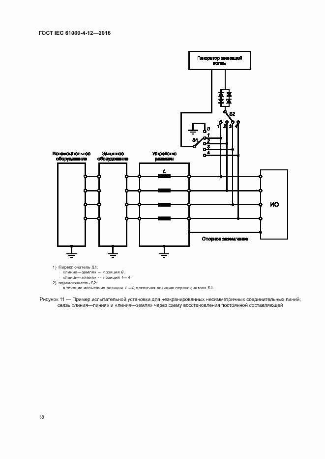
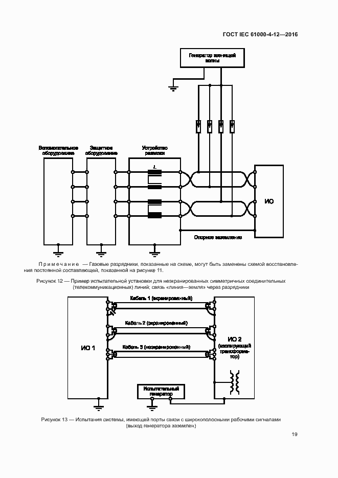
Настоящий стандарт распространяется на электрическое и электронное оборудование, получающее электропитание от общественных сетей и сетей промышленных предприятий, и устанавливает требования помехоустойчивости и методы испытаний оборудования при воздействии в рабочих условиях неповторяющихся затухающих колебательных переходных процессов (звенящих волн), которые могут возникать в низковольтных силовых линиях и линиях управления и сигнализации. Настоящий основополагающий стандарт имеет целью установить требования помехоустойчивости и общую основу для оценки в лабораторных условиях качества функционирования электрического и электронного оборудования, предназначенного для применения в жилых, коммерческих и промышленных зонах, также как и оборудования, предназначенного для применения на электростанциях и подстанциях
Связи и замены
Заменяющий:
-
Описание стандарта
ГОСТ IEC 61000-4-12-2016 Электромагнитная совместимость (ЭМС). Часть 4-12. Методы испытаний и измерений. Испытание на устойчивость к звенящей волне
Страницы стандарта


























