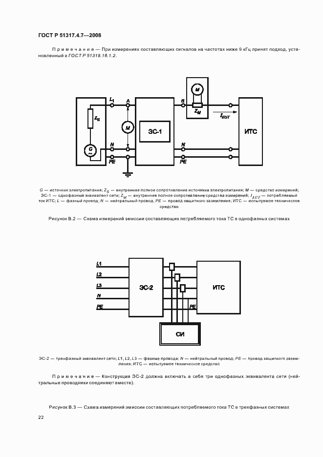
ГОСТ Р 51317.4.7-2008 Совместимость технических средств электромагнитная. Общее руководство по средствам измерений и измерениям гармоник и интергармоник для систем электроснабжения и подключаемых к ним технических средств
ГОСТ Р
Скачать ГОСТ в PDF или DOC бесплатно
Основная информация
Обозначение:
ГОСТ Р 51317.4.7-2008
Статус:
Отменен
Тип:
ГОСТ Р
Название русское:
Совместимость технических средств электромагнитная. Общее руководство по средствам измерений и измерениям гармоник и интергармоник для систем электроснабжения и подключаемых к ним технических средств
Название английское:
Electromagnetic compatibility of technical equipment. General guide on harmonics and interharmonics measuring instruments and measurement, for power suply systems and equipment connected thereto
Даты и сроки
Дата издания:
10-06-09
Дата введения в действие:
01-01-10
Дата завершения срока действия:
01-01-14
Применение и описание
Область и условия применения:
Настоящий стандарт распространяется на средства измерений, предназначенные для измерений спектральных составляющих напряжения и тока в полосе частот до 9 кГц, которые наложены на основные составляющие в системах электроснабжения частотой 50 и 60 Гц. Из практических соображений в настоящем стандарте установлено различие между гармониками и интергармониками с одной стороны, и другими спектральными составляющими, расположенными выше области частот гармоник (приблизительно 2 кГц) до частоты 9 кГц, с другой стороны
Связи и замены
Заменяющий:
-
Изменения и переиздания
Список изменений:
№0 от (рег. ) «Текстовое изменение; Изменено заглавие»
Описание стандарта
ГОСТ Р 51317.4.7-2008 Совместимость технических средств электромагнитная. Общее руководство по средствам измерений и измерениям гармоник и интергармоник для систем электроснабжения и подключаемых к ним технических средств
Страницы стандарта






































