ГОСТ IEC 61000-3-2-2021 Электромагнитная совместимость (ЭМС). Часть 3-2. Нормы. Нормы эмиссии гармонических составляющих тока (оборудование с выходным током не более 16 А на фазу)
ГОСТ МЭК
Скачать ГОСТ в PDF или DOC бесплатно
Основная информация
Обозначение:
ГОСТ IEC 61000-3-2-2021
Статус:
Действует
Тип:
ГОСТ МЭК
Название русское:
Электромагнитная совместимость (ЭМС). Часть 3-2. Нормы. Нормы эмиссии гармонических составляющих тока (оборудование с выходным током не более 16 А на фазу)
Название английское:
Eiectromagnetic compatibility (EMC). Part 3-2. Limits. Limits for harmonic current emissions (equipment input curret <= 16 A per phase)
Даты и сроки
Дата регистрации:
06-30-21
Дата издания:
08-31-21
Дата введения в действие:
07-01-23
Дата завершения срока действия:
-
Применение и описание
Область и условия применения:
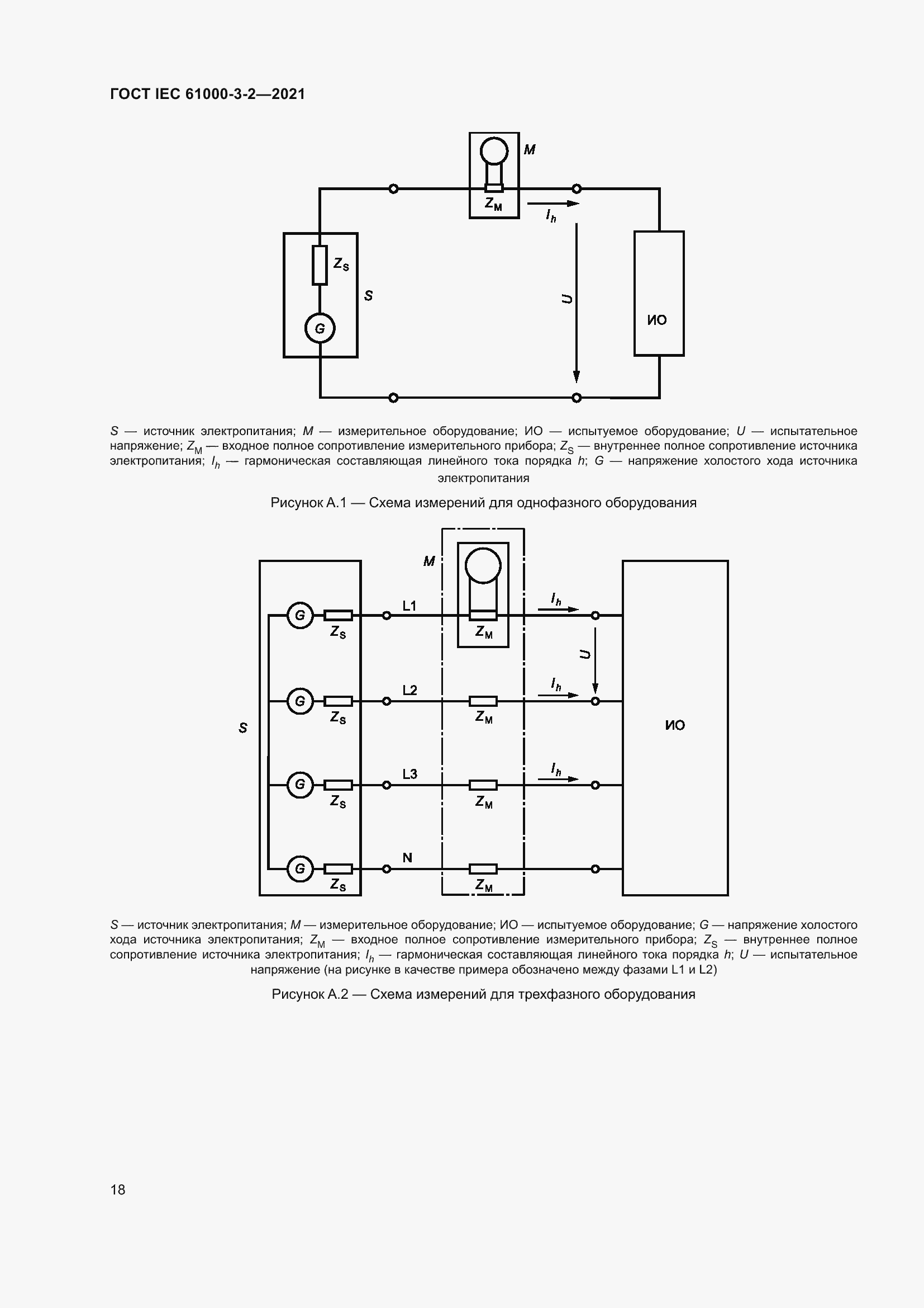
Настоящий стандарт рассматривает ограничение гармонических составляющих тока, инжектируемых в общественную систему электроснабжения. Он определяет нормы гармонических составляющих входного тока, которые могут быть созданы оборудованием, испытанным в определенных условиях. Настоящий стандарт применим к электрическому электронному оборудованию, имеющему номинальный входной ток не более 16 А на фазу и предназначенному для подлючения к общественным низковольтным распределительным системам
Связи и замены
Заменяющий:
-
Взамен:
ГОСТ IEC 61000-3-2-2017
Описание стандарта
ГОСТ IEC 61000-3-2-2021 Электромагнитная совместимость (ЭМС). Часть 3-2. Нормы. Нормы эмиссии гармонических составляющих тока (оборудование с выходным током не более 16 А на фазу)
Страницы стандарта





































Приложение №1: Поправка к ГОСТ IEC 61000-3-2-2021 Обозначение: Поправка к ГОСТ IEC 61000-3-2-2021 Дата введения в действие: 28.07.2023
