ГОСТ Р МЭК 61603-8-1-2015 Передача аудио- и/или видео- и сопутствующих сигналов с использованием инфракрасного излучения. Часть 8-1. Цифровые аудиосигналы и сопутствующие сигналы
ГОСТ Р МЭК
Скачать ГОСТ в PDF или DOC бесплатно
Основная информация
Обозначение:
ГОСТ Р МЭК 61603-8-1-2015
Статус:
Действует
Тип:
ГОСТ Р МЭК
Название русское:
Передача аудио- и/или видео- и сопутствующих сигналов с использованием инфракрасного излучения. Часть 8-1. Цифровые аудиосигналы и сопутствующие сигналы
Название английское:
Transmission of audio and/or video and related signals using infra-red radiation. Part 8-1. Digital audio and related signals
Даты и сроки
Дата издания:
05-26-20
Дата введения в действие:
06-01-16
Дата завершения срока действия:
-
Применение и описание
Область и условия применения:
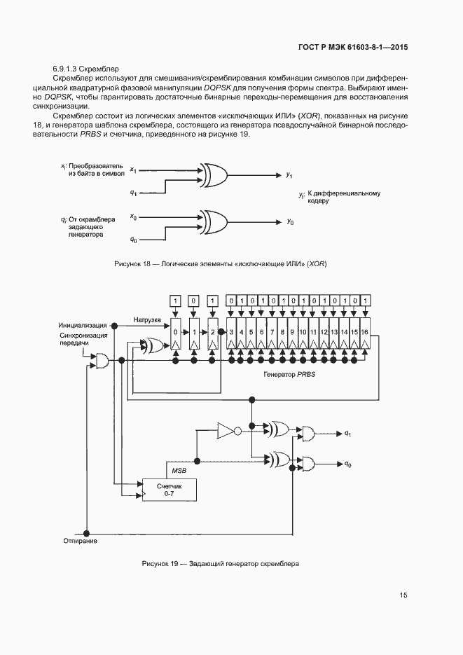
Настоящий стандарт устанавливает характеристики и методы измерения систем передачи цифровых аудио сигналов, использующих инфракрасное излучение с поднесущей в частотных полосах от 3 до 6 МГц. Настоящий стандарт описывает системы различного практического применения (использования), обеспечивающие минимальные помехи и максимальную совместимость в соответствии с их реальной пропускной способностью (шириной полосы пропускания)
Связи и замены
Заменяющий:
-
Описание стандарта
ГОСТ Р МЭК 61603-8-1-2015 Передача аудио- и/или видео- и сопутствующих сигналов с использованием инфракрасного излучения. Часть 8-1. Цифровые аудиосигналы и сопутствующие сигналы
Страницы стандарта












































