ГОСТ Р 54707-2011 Система цифрового звукового радиовещания DRM. Одноканальная одновременная передача программ (SCS)
ГОСТ Р
Скачать ГОСТ в PDF или DOC бесплатно
Основная информация
Обозначение:
ГОСТ Р 54707-2011
Статус:
Действует
Тип:
ГОСТ Р
Название русское:
Система цифрового звукового радиовещания DRM. Одноканальная одновременная передача программ (SCS)
Название английское:
Digital audio broadcasting system DRM. Single-channel simulcast transmission of programs (SCS)
Даты и сроки
Дата издания:
07-23-20
Дата введения в действие:
07-01-12
Дата завершения срока действия:
-
Применение и описание
Область и условия применения:
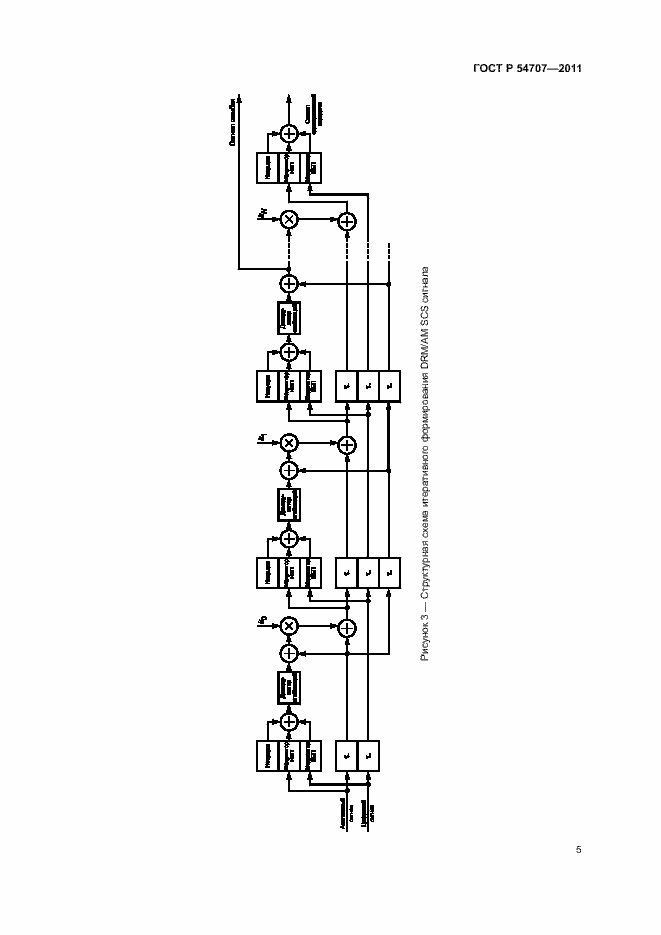
Настоящий стандарт устанавливает требования для подготовки сигнала, обеспечивающего одновременную передачу аналоговой и цифровой версий одной и той же звуковой программы в одном частотном канале (Single Channel Simulcast, SCS – одноканальная одновременная передача). Передаваемый сигнал соответствует существующей частотной сетке каналов и частотным полосам в вещательных диапазонах ниже 30 МГц согласно Регламенту радиосвязи
Связи и замены
Заменяющий:
-
Описание стандарта
ГОСТ Р 54707-2011 Система цифрового звукового радиовещания DRM. Одноканальная одновременная передача программ (SCS)
Страницы стандарта











