ГОСТ Р МЭК 60793-1-48-2014 Волокна оптические. Часть 1-48. Методы измерений и проведение испытаний. Поляризационная модовая дисперсия
ГОСТ Р МЭК
Скачать ГОСТ в PDF или DOC бесплатно
Основная информация
Обозначение:
ГОСТ Р МЭК 60793-1-48-2014
Статус:
Действует
Тип:
ГОСТ Р МЭК
Название русское:
Волокна оптические. Часть 1-48. Методы измерений и проведение испытаний. Поляризационная модовая дисперсия
Название английское:
Optical fibres. Part 1-48. Measurement methods and test procedures. Polarization mode dispersion
Даты и сроки
Дата издания:
08-11-20
Дата введения в действие:
01-01-16
Дата завершения срока действия:
-
Применение и описание
Область и условия применения:
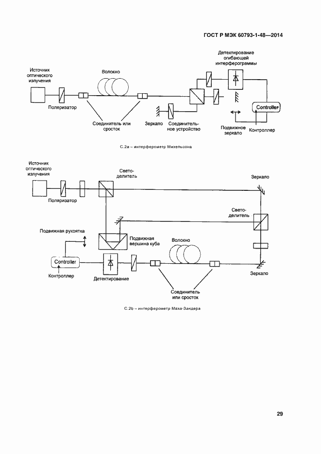
В настоящем стандарте приведено три метода измерения поляризационной модовой дисперсии. Настоящий стандарт устанавливает единые требования для измерения поляризационной модовой дисперсии одномодового оптического волокна, таким образом содействуя проверке возможности коммерческого использования волокон и кабелей
Связи и замены
Заменяющий:
-
Описание стандарта
ГОСТ Р МЭК 60793-1-48-2014 Волокна оптические. Часть 1-48. Методы измерений и проведение испытаний. Поляризационная модовая дисперсия
Страницы стандарта



















































