ГОСТ Р МЭК 60793-1-31-2010 Волокна оптические. Часть 1-31. Методы измерений и проведение испытаний. Прочность при разрыве
ГОСТ Р МЭК
Скачать ГОСТ в PDF или DOC бесплатно
Основная информация
Обозначение:
ГОСТ Р МЭК 60793-1-31-2010
Статус:
Действует
Тип:
ГОСТ Р МЭК
Название русское:
Волокна оптические. Часть 1-31. Методы измерений и проведение испытаний. Прочность при разрыве
Название английское:
Optical fibres. Part 1-31. Measurement methods and test procedures. Tensile strength
Даты и сроки
Дата издания:
06-18-20
Дата введения в действие:
01-01-12
Дата завершения срока действия:
-
Применение и описание
Область и условия применения:
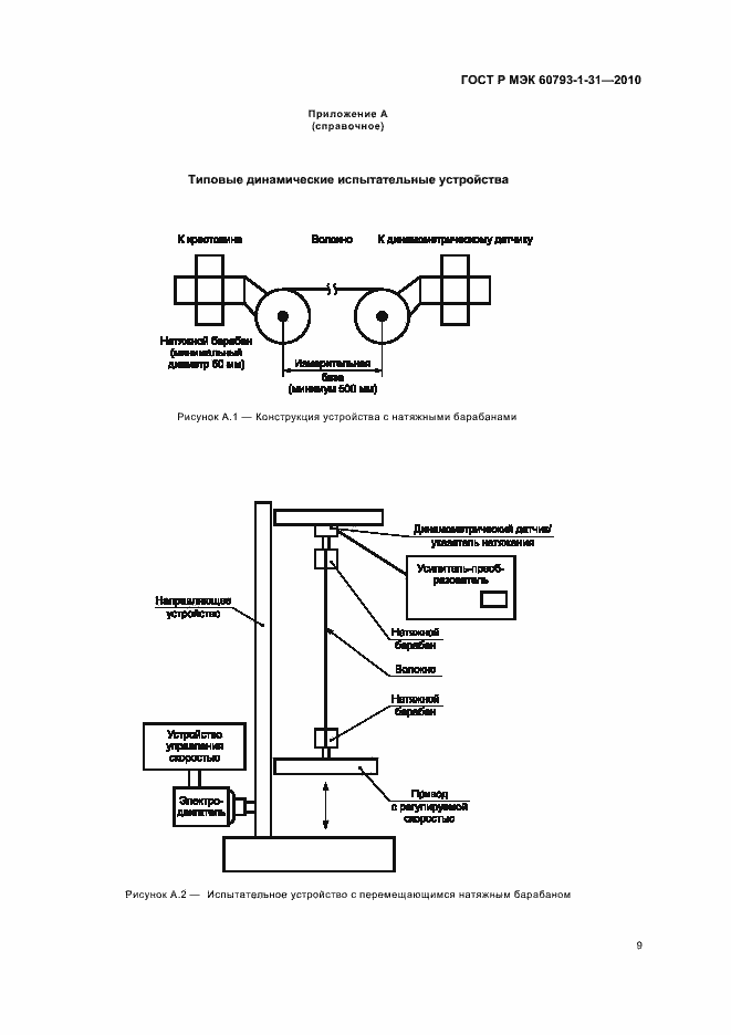
Настоящий стандарт содержит описание метода определения прочности при разрыве образцов оптических волокон и устанавливает единые требования к механической характеристике волокна - его прочности при разрыве. Данным методом испытывают отдельные отрезки вне состава кабеля и нескрученных стеклянных волокон. Отрезки волокна разрывают, прилагая управляемое нарастающее напряжение или усилие, равномерно распределенное по всей длине волокна и поперечному сечению. Напряжение или усилие увеличивают с установленной постоянной скоростью до разрыва волокна. Распределение значения прочности при разрыве данного волокна строго зависит от длины образца, скорости увеличения нагрузки и условий окружающей среды. Настоящее испытание может быть использовано для контроля качества, если требуются статистические данные о прочности волокна. Результаты фиксируют в виде статистического распределения контроля качества. Как правило, испытание проводят после кондиционирования образца при установленной температуре и влажности. Однако в некоторых случаях может быть достаточным измерение значений в условиях температуры и влажности окружающей среды. Настоящий метод распространяется на волокна категорий А1, А2, А3, В и C
Связи и замены
Заменяющий:
-
Описание стандарта
ГОСТ Р МЭК 60793-1-31-2010 Волокна оптические. Часть 1-31. Методы измерений и проведение испытаний. Прочность при разрыве
Страницы стандарта



















