ГОСТ Р МЭК 60950-1-2005 Оборудование информационных технологий. Требования безопасности. Часть 1. Общие требования
ГОСТ Р МЭК
Скачать ГОСТ в PDF или DOC бесплатно
Основная информация
Обозначение:
ГОСТ Р МЭК 60950-1-2005
Статус:
Заменен
Тип:
ГОСТ Р МЭК
Название русское:
Оборудование информационных технологий. Требования безопасности. Часть 1. Общие требования
Название английское:
Information technology equipment. Safety. Part 1. General requirements
Даты и сроки
Дата издания:
06-30-08
Дата введения в действие:
07-01-08
Дата завершения срока действия:
01-01-11
Применение и описание
Область и условия применения:
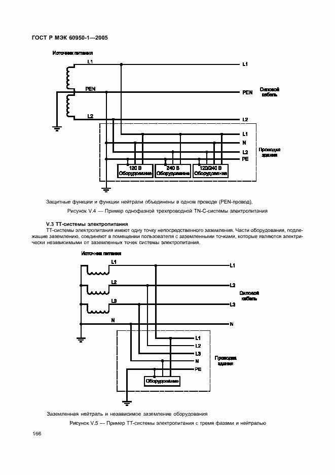
Настоящий стандарт распространяется на оборудование информационных технологий, включая электрическое офисное и связанное с ним оборудование, номинальным напряжением электропитания, не превышающим 600 В. Стандарт распространяется на следующее оборудование информационных технологий: - оборудование, спроектированное как оконечное телекоммуникационное оборудование, и оборудование инфраструктуры телекоммуникационной сети независимо от источника электропитания; - оборудование, спроектированное и предназначенное для непосредственного подключения к системе кабельного распределения или для использования как оборудование инфраструктуры в системе кабельного распределения независимо от источника электропитания; - оборудование, использующее сеть электропитания как среду для обмена данными
Связи и замены
Заменяющий:
ГОСТ Р МЭК 60950-1-2009
Описание стандарта
ГОСТ Р МЭК 60950-1-2005 Оборудование информационных технологий. Требования безопасности. Часть 1. Общие требования
Страницы стандарта

























































































































































































