ГОСТ 28079-89 Системы обработки информации. Протокол уровня звена данных. Методы синхронной позначной передачи данных
ГОСТ
Скачать ГОСТ в PDF или DOC бесплатно
Основная информация
Обозначение:
ГОСТ 28079-89
Статус:
Действует
Тип:
ГОСТ
Название русское:
Системы обработки информации. Протокол уровня звена данных. Методы синхронной позначной передачи данных
Название английское:
Information processing systems. Data link protocol. Methods of synchronous character oriented data transmission
Даты и сроки
Дата издания:
08-23-89
Дата введения в действие:
01-01-90
Дата завершения срока действия:
-
Применение и описание
Область и условия применения:
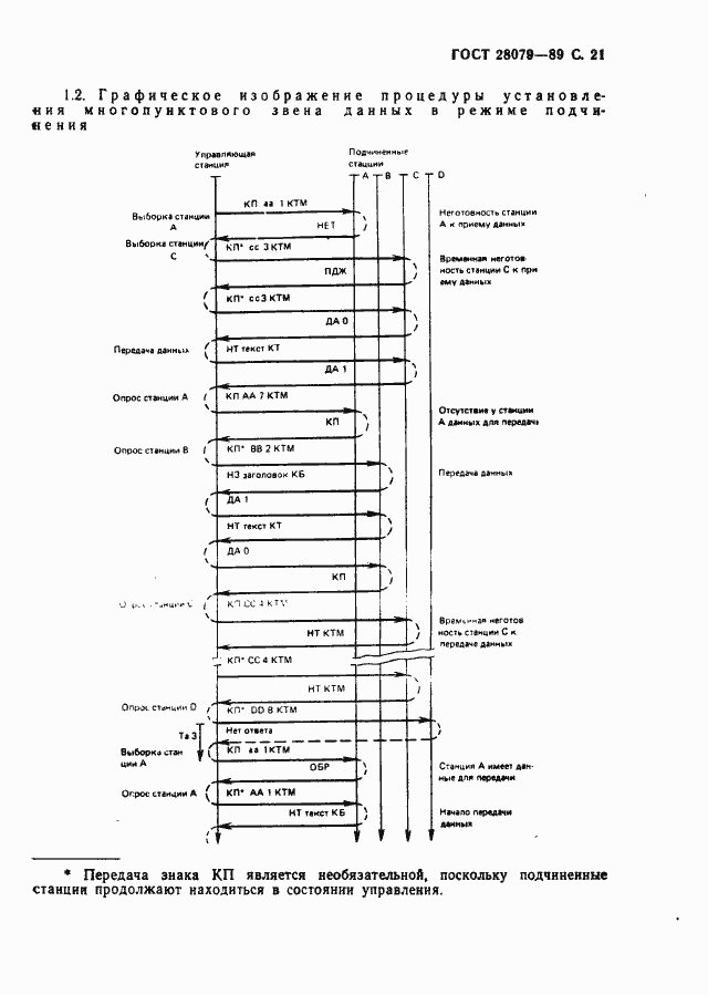
Настоящий стандарт распространяется на протокол уровня звена данных для синхронной позначной передачи данных в основном режиме в 7-битном коде КОИ-7, в 8-битном коде ДКОИ и в кодонезависимом режиме в системах телеобработки данных и устанавливает: 1) наименование и обозначение управляющих знаков и их последовательностей; 2) структуру сообщения, блока данных и знака данных; 3) процедуры установления и поддержания синхронности работы звена данных; 4) процедуры установления звена данных; 5) процедуры передачи данных в основном режиме; 6) процедуры диалоговой передачи данных; 7) процедуры передачи данных в кодонезависимом режиме; 8) процедуры обнаружения и исправления ошибок
Связи и замены
Заменяющий:
-
Описание стандарта
ГОСТ 28079-89 Системы обработки информации. Протокол уровня звена данных. Методы синхронной позначной передачи данных
Страницы стандарта


































