ГОСТы >
35.180 Информационно-технологические терминалы и другие периферийные устройства >
ГОСТ 16330-85
ГОСТ 16330-85 Системы обработки информации. Шрифты для оптического чтения. Типы, основные параметры и размеры
ГОСТ
Скачать ГОСТ в PDF или DOC бесплатно
Основная информация
Обозначение:
ГОСТ 16330-85
Статус:
Действует
Тип:
ГОСТ
Название русское:
Системы обработки информации. Шрифты для оптического чтения. Типы, основные параметры и размеры
Название английское:
Information processing systems. Founts for optical character recognition. Types basis parameters and dimensions
Даты и сроки
Дата издания:
04-07-86
Дата введения в действие:
06-30-86
Дата завершения срока действия:
-
Применение и описание
Область и условия применения:
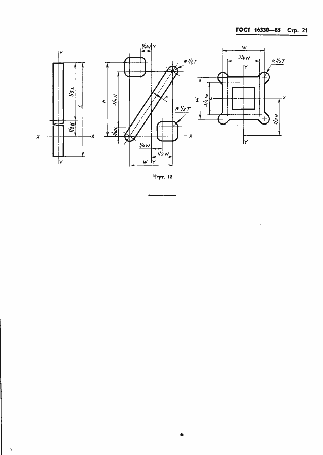
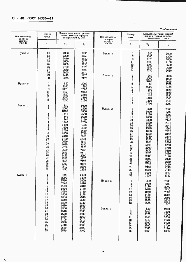
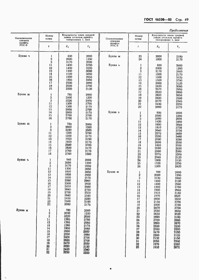
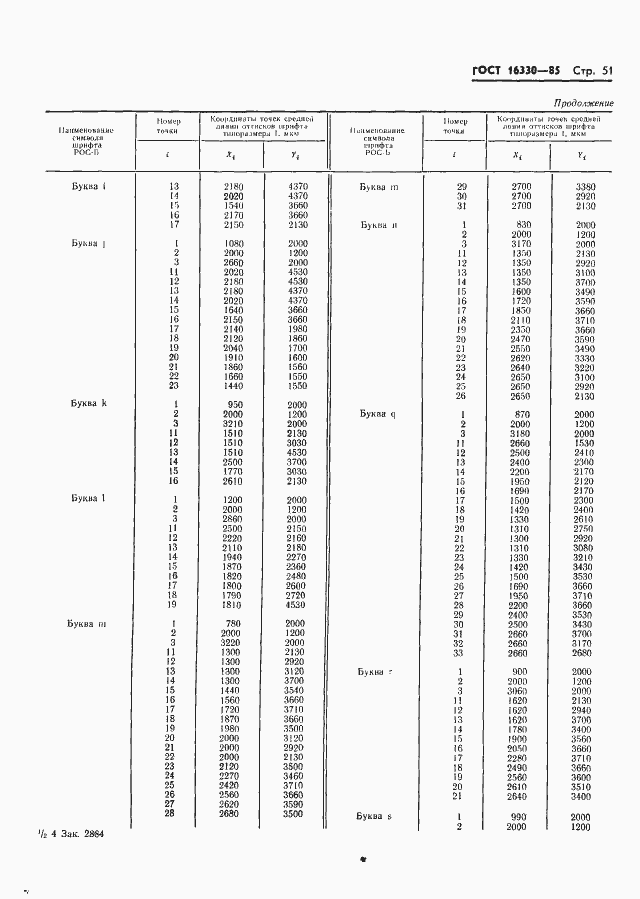
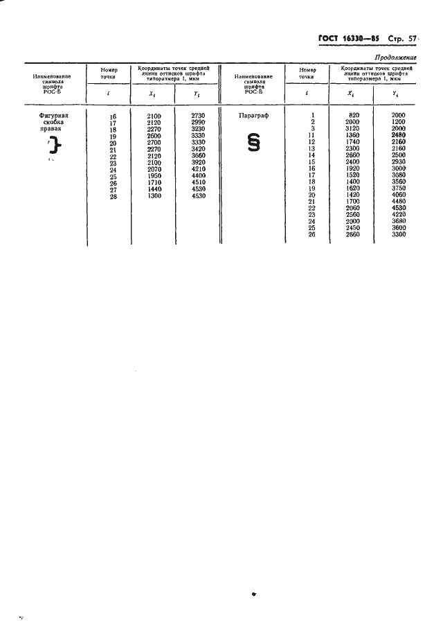
Настоящий стандарт распространяется на печатные и рукописные шрифты для оптического чтения (типа "РОС") и устанавливает типы, состав, форму и размеры оттисков шрифтов, напечатанных или написанных оптически контрастной краской на машиночитаемом документе и предназначенных для автоматического чтения с помощью оптических читающих устройств в системах обработки информации и для визуального чтения
Связи и замены
Заменяющий:
-
Взамен:
ГОСТ 16330-70
Изменения и переиздания
Список изменений:
№1 от (рег. ) «Срок действия продлен»
Описание стандарта
ГОСТ 16330-85 Системы обработки информации. Шрифты для оптического чтения. Типы, основные параметры и размеры
Страницы стандарта














































































