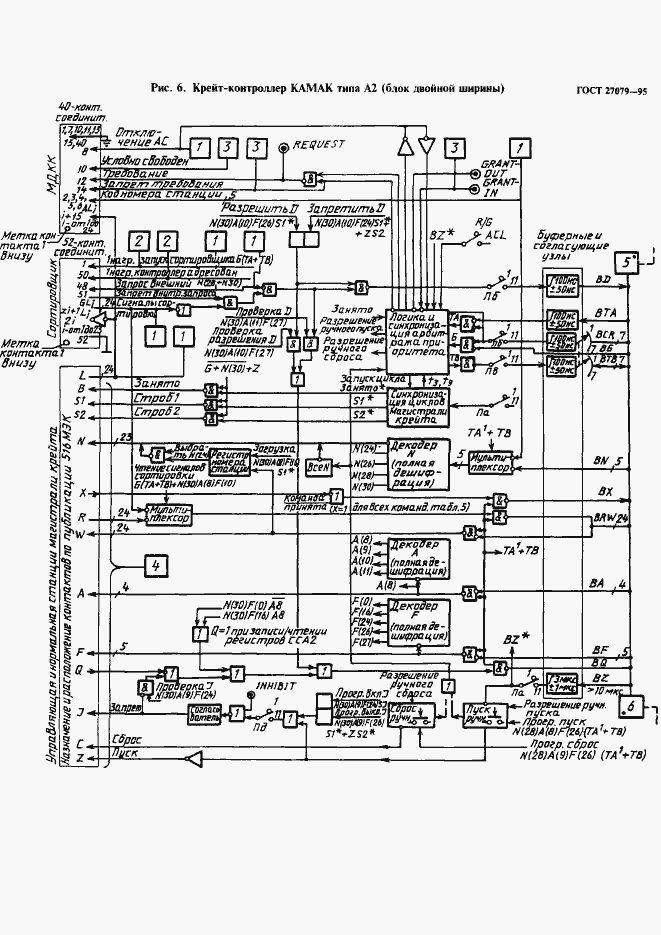
ГОСТ 27079-94 КАМАК. Многоконтроллерный крейт
ГОСТ
Скачать ГОСТ в PDF или DOC бесплатно
Основная информация
Обозначение:
ГОСТ 27079-94
Статус:
Действует
Тип:
ГОСТ
Название русское:
КАМАК. Многоконтроллерный крейт
Название английское:
Multiple controller in a CAMAC crate
Даты и сроки
Дата регистрации:
10-21-93
Дата издания:
04-26-96
Дата введения в действие:
01-01-97
Дата завершения срока действия:
-
Применение и описание
Область и условия применения:
Настоящий стандарт распространяется на КАМАК - систему
Связи и замены
Заменяющий:
-
Взамен:
ГОСТ 27079-86
Изменения и переиздания
Список изменений:
№0 от (рег. ) «Дата введения перенесена»
Описание стандарта
ГОСТ 27079-94 КАМАК. Многоконтроллерный крейт
Страницы стандарта









































Приложение №1: Поправка к ГОСТ 27079-94 Обозначение: Поправка к ГОСТ 27079-94 Дата введения в действие: 01.11.2000
