ГОСТ Р ИСО/МЭК 7811-1-2003 Карты идентификационные. Способ записи. Часть 1. Тиснение
ГОСТ Р ИСО/МЭК
Скачать ГОСТ в PDF или DOC бесплатно
Основная информация
Обозначение:
ГОСТ Р ИСО/МЭК 7811-1-2003
Статус:
Заменен
Тип:
ГОСТ Р ИСО/МЭК
Название русское:
Карты идентификационные. Способ записи. Часть 1. Тиснение
Название английское:
Identification cards. Recording technique. Part 1. Embossing
Даты и сроки
Дата издания:
11-12-03
Дата введения в действие:
07-01-04
Дата завершения срока действия:
07-01-11
Применение и описание
Область и условия применения:
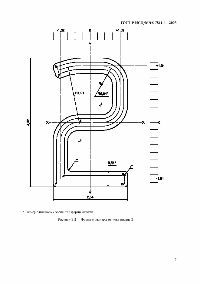
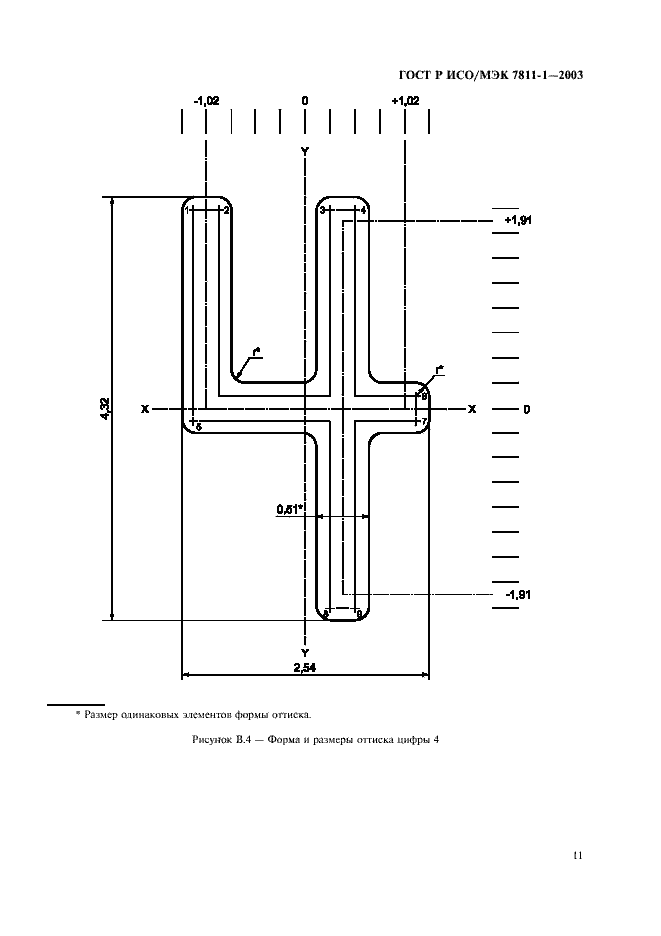
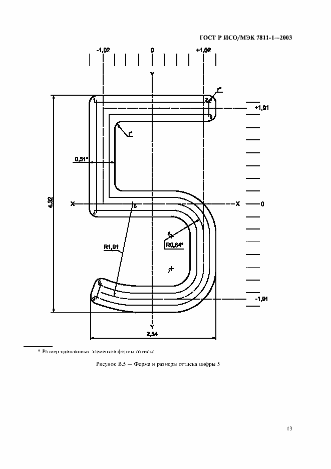
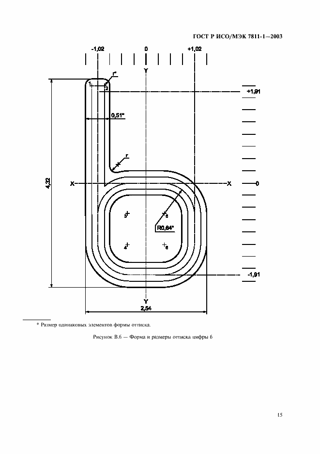
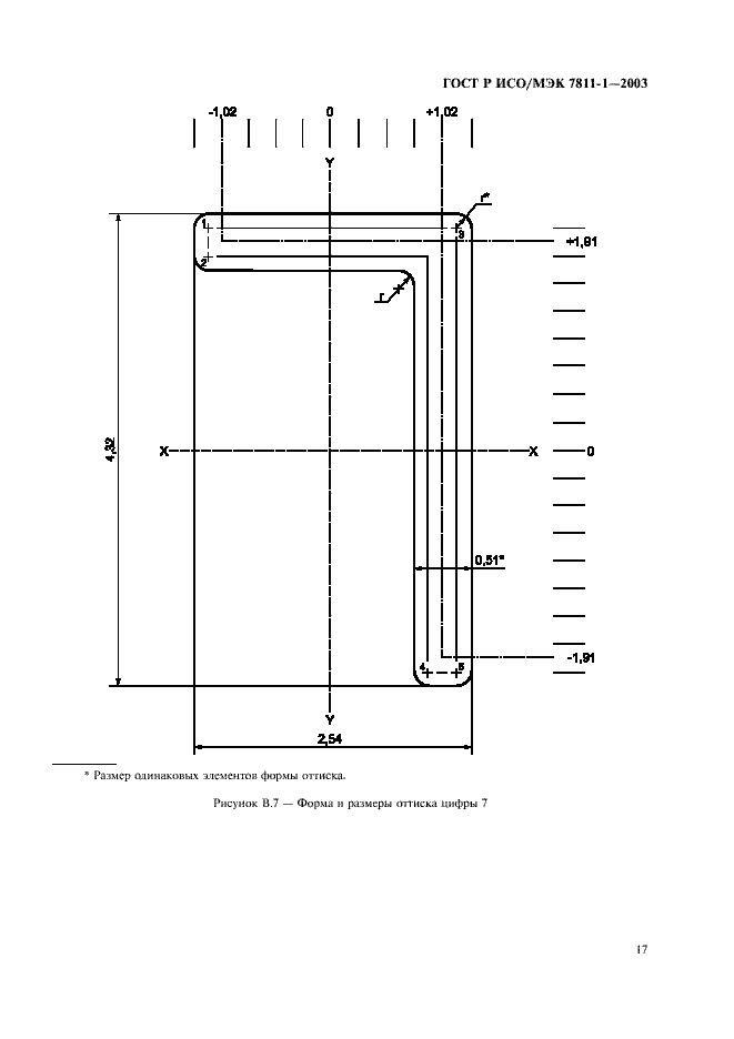
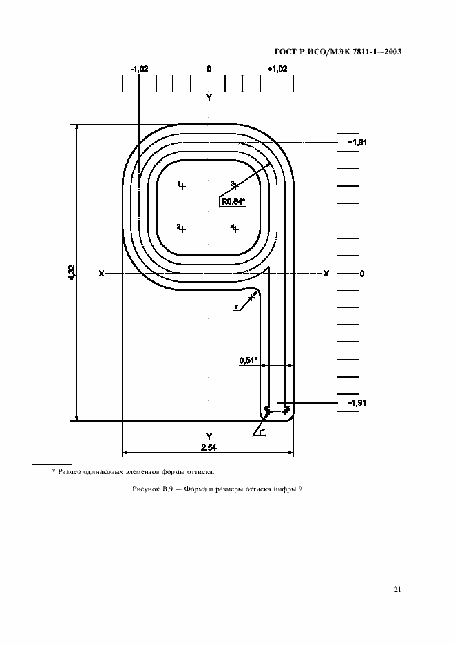
Настоящий стандарт - один из серии стандартов, описывающих параметры идентификационных карт, как определено в ГОСТ Р ИСО/МЭК 7810, и их применение в рамках обмена информацией. Стандарт устанавливает требования к рельефным символам на картах, предназначенным для передачи данных при помощи импринтеров либо путем визуального или машинного чтения. Методы испытаний для контроля соответствия карт требованиям настоящего стандарта установлены в ГОСТ Р ИСО/МЭК 10373-1. Стандарт устанавливает требования к картам, используемым для идентификации. Он учитывает как человеческий, так и машинный аспекты применения карт и устанавливает минимальные требования
Связи и замены
Заменяющий:
ГОСТ Р ИСО/МЭК 7811-1-2010
Описание стандарта
ГОСТ Р ИСО/МЭК 7811-1-2003 Карты идентификационные. Способ записи. Часть 1. Тиснение
Страницы стандарта


























