ГОСТ 8074-82 Микроскопы инструментальные. Типы, основные параметры и размеры. Технические требования
ГОСТ
Скачать ГОСТ в PDF или DOC бесплатно
Основная информация
Обозначение:
ГОСТ 8074-82
Статус:
Действует
Тип:
ГОСТ
Название русское:
Микроскопы инструментальные. Типы, основные параметры и размеры. Технические требования
Название английское:
Toolmaker`s microscopes. Types, main parameters and dimensions. Technical requirements
Даты и сроки
Дата издания:
07-01-86
Дата введения в действие:
01-01-84
Дата завершения срока действия:
-
Применение и описание
Область и условия применения:
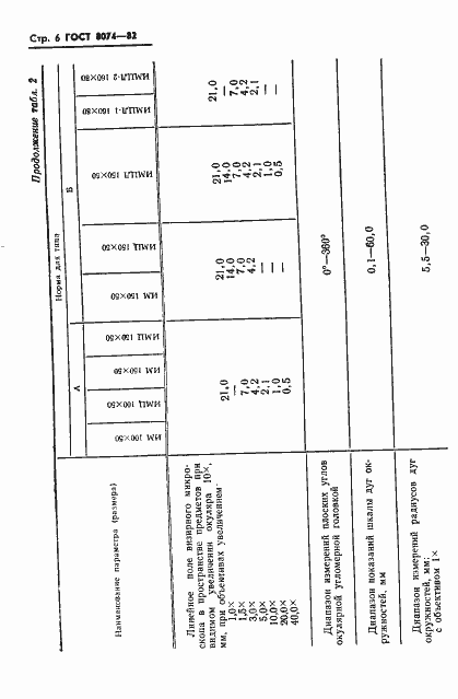
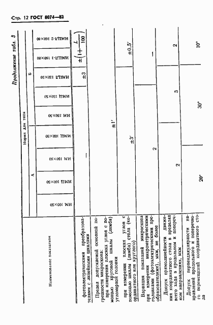
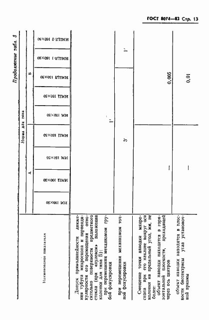
Настоящий стандарт распространяется на инструментальные микроскопы, предназначенные для измерения наружных и внутренних линейных и угловых размеров изделий в прямоугольных и полярных координатах (резьбовых изделий, режущего инструмента, профильных шаблонов, лекал, кулачков, конусов, метчиков, резьбонарезных гребенок)
Связи и замены
Заменяющий:
-
Взамен:
ГОСТ 8074-71
Изменения и переиздания
Список изменений:
№1 от (рег. ) «Срок действия продлен»
Описание стандарта
ГОСТ 8074-82 Микроскопы инструментальные. Типы, основные параметры и размеры. Технические требования
Страницы стандарта






















