ГОСТ 23700-79 Объективы съемочные. Метод измерения поперечной аберрации
ГОСТ
Скачать ГОСТ в PDF или DOC бесплатно
Основная информация
Обозначение:
ГОСТ 23700-79
Статус:
Действует
Тип:
ГОСТ
Название русское:
Объективы съемочные. Метод измерения поперечной аберрации
Название английское:
Camera lenses. Method for measurement of the lateral aberration
Даты и сроки
Дата издания:
09-19-79
Дата введения в действие:
01-01-81
Дата завершения срока действия:
-
Применение и описание
Область и условия применения:
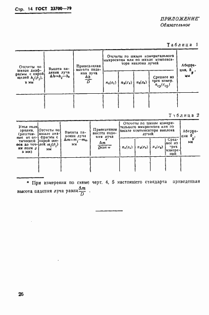
Настоящий стандарт распространяется на фотографические, киносъемочные и телевизионные съемочные объективы и устанавливает метод измерения аберрации меридиональных пучков
Связи и замены
Заменяющий:
-
Описание стандарта
ГОСТ 23700-79 Объективы съемочные. Метод измерения поперечной аберрации
Страницы стандарта















