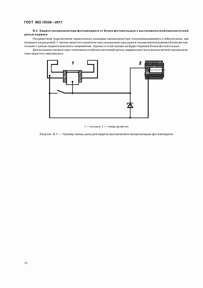
ГОСТ ISO 10330-2011 Фотография. Синхронизаторы, цепи поджига и электрические соединения фотоаппаратов и импульсных фотоосветителей. Электрические характеристики и методы испытаний
ГОСТ ИСО
Скачать ГОСТ в PDF или DOC бесплатно
Основная информация
Обозначение:
ГОСТ ISO 10330-2011
Статус:
Действует
Тип:
ГОСТ ИСО
Название русское:
Фотография. Синхронизаторы, цепи поджига и электрические соединения фотоаппаратов и импульсных фотоосветителей. Электрические характеристики и методы испытаний
Название английское:
Photography. Synchronizers, ignition circuits and connectors for cameras and photoflash units. Electrical characteristics and test methods
Даты и сроки
Дата регистрации:
11-29-11
Дата издания:
10-29-14
Дата введения в действие:
01-01-13
Применение и описание
Область и условия применения:
Настоящий стандарт устанавливает электрические требования к синхронизатору фотоаппарата, цепи поджига фотоосветителя (фотовспышки), кабеля для подключения одного к другому, а также методы испытаний, для гарантированного зажигания фотоосветителя (фотовспышки)
Описание стандарта
ГОСТ ISO 10330-2011 Фотография. Синхронизаторы, цепи поджига и электрические соединения фотоаппаратов и импульсных фотоосветителей. Электрические характеристики и методы испытаний
Страницы стандарта


















