ГОСТ 13.2.013-93 Репрография. Копирография. Тест-оригиналы для контроля качества копий. Основные параметры и размеры
ГОСТ
Скачать ГОСТ в PDF или DOC бесплатно
Основная информация
Обозначение:
ГОСТ 13.2.013-93
Статус:
Действует
Тип:
ГОСТ
Название русское:
Репрография. Копирография. Тест-оригиналы для контроля качества копий. Основные параметры и размеры
Название английское:
Reprography. Copirography. Test-originals for copy quality inspection. General parameters and dimensions
Даты и сроки
Дата регистрации:
10-21-93
Дата издания:
03-21-95
Дата введения в действие:
06-30-95
Дата завершения срока действия:
-
Применение и описание
Область и условия применения:
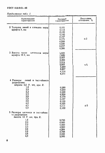
Настоящий стандарт распространяется на тест-оригиналы для контроля качества воспроизведения изображения копировальными аппаратами в процессе их производства и эксплуатации. Стандарт устанавливает основные параметры и размеры тест-оригиналов и тестовых элементов, расположенных на поле тест-оригиналов
Связи и замены
Заменяющий:
-
Описание стандарта
ГОСТ 13.2.013-93 Репрография. Копирография. Тест-оригиналы для контроля качества копий. Основные параметры и размеры
Страницы стандарта














