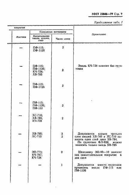
ГОСТ 23846-79 Вагоны рефрижераторные магистральных железных дорог колеи 1520 (1524) мм. Покрытия лакокрасочные. Технические условия
ГОСТ
Скачать ГОСТ в PDF или DOC бесплатно
Основная информация
Обозначение:
ГОСТ 23846-79
Статус:
Действует
Тип:
ГОСТ
Название русское:
Вагоны рефрижераторные магистральных железных дорог колеи 1520 (1524) мм. Покрытия лакокрасочные. Технические условия
Название английское:
Refrigerator cors for main railways of 1520 (1524) mm gauge. Paint coatings. Specifications
Даты и сроки
Дата издания:
02-01-85
Дата введения в действие:
01-01-81
Дата завершения срока действия:
-
Применение и описание
Область и условия применения:
Настоящий стандарт устанавливает технические требования к получению лакокрасочных покрытий на деталях, сборочных единицах и агрегатах строящихся рефрижераторных вагонов, предназначенных для эксплуатации в умеренном макроклиматическом райоен, категориях размещения 1, 2, 3 по ГОСТ 15150-69, на магистральных железных дорогах колеи 1520 (1524) мм
Связи и замены
Заменяющий:
-
Изменения и переиздания
Список изменений:
№1 от (рег. ) «Срок действия продлен» №2 от (рег. ) «Срок действия продлен» №3 от (рег. ) «Срок действия продлен»
Описание стандарта
ГОСТ 23846-79 Вагоны рефрижераторные магистральных железных дорог колеи 1520 (1524) мм. Покрытия лакокрасочные. Технические условия
Страницы стандарта























