ГОСТ 16017-79 Болты закладные для рельсовых скреплений железнодорожного пути. Конструкция и размеры. Технические требования
ГОСТ
Скачать ГОСТ в PDF или DOC бесплатно
Основная информация
Обозначение:
ГОСТ 16017-79
Статус:
Заменен
Тип:
ГОСТ
Название русское:
Болты закладные для рельсовых скреплений железнодорожного пути. Конструкция и размеры. Технические требования
Название английское:
Inserted bolts for rail track fastenings. Design and dimensions. Technical requirements
Даты и сроки
Дата издания:
01-01-06
Дата введения в действие:
01-01-81
Дата завершения срока действия:
07-01-15
Применение и описание
Область и условия применения:
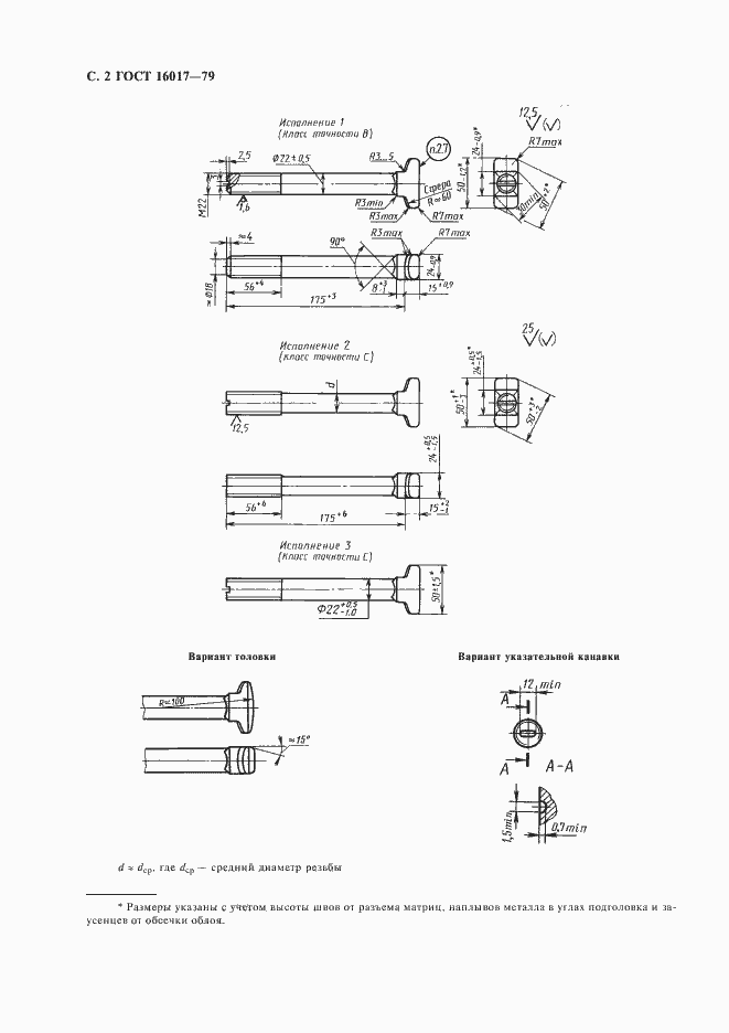
Настоящий стандарт распространяется на закладные болты нормальной точности (класс точности В) и грубой точности (класс точности С), применяемые для прикрепления металлических подкладок или рельсов к железобетонным подрельсовым основаниям в рельсовых скреплениях
Связи и замены
Заменяющий:
ГОСТ 16017-2014
Взамен:
ГОСТ 16017-70
Изменения и переиздания
Список изменений:
№1 от (рег. ) «Срок действия продлен» №2 от (рег. ) «Срок действия продлен» №3 от (рег. ) «Срок действия продлен» №4 от (рег. ) «Срок действия продлен»
Описание стандарта
ГОСТ 16017-79 Болты закладные для рельсовых скреплений железнодорожного пути. Конструкция и размеры. Технические требования
Страницы стандарта





