ГОСТ 16277-93 Подкладки раздельного скрепления железнодорожных рельсов типов Р50, Р65 и Р75. Технические условия
ГОСТ
Скачать ГОСТ в PDF или DOC бесплатно
Основная информация
Обозначение:
ГОСТ 16277-93
Статус:
Заменен
Тип:
ГОСТ
Название русское:
Подкладки раздельного скрепления железнодорожных рельсов типов Р50, Р65 и Р75. Технические условия
Название английское:
Plates of separate fastening for railway P50, P65 and P75 rails. Specifications
Даты и сроки
Дата регистрации:
10-27-93
Дата издания:
11-01-05
Дата введения в действие:
01-01-95
Дата завершения срока действия:
01-01-17
Применение и описание
Область и условия применения:
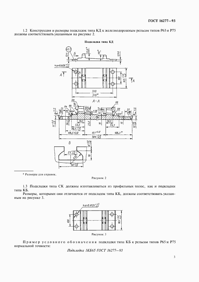
Настоящий стандарт распространяется на металлические подкладки нормальной и повышенной точности для раздельного рельсового скрепления типов КБ, КД и СК к железнодорожным рельсам типов Р50, Р65 и Р75 и стрелочным переводам железнодорожного пути, изготавливаемые для нужд народного хозяйства и экспорта
Связи и замены
Заменяющий:
ГОСТ 16277-2016
Взамен:
ГОСТ 16277-84;ГОСТ 16278-78;ГОСТ 16279-78
Описание стандарта
ГОСТ 16277-93 Подкладки раздельного скрепления железнодорожных рельсов типов Р50, Р65 и Р75. Технические условия
Страницы стандарта















