ГОСТ 22343-90 Клемма раздельного рельсового скрепления железнодорожного пути. Технические условия
ГОСТ
Скачать ГОСТ в PDF или DOC бесплатно
Основная информация
Обозначение:
ГОСТ 22343-90
Статус:
Заменен
Тип:
ГОСТ
Название русское:
Клемма раздельного рельсового скрепления железнодорожного пути. Технические условия
Название английское:
Clamp of indirect rail fastening of railway. Specifications
Даты и сроки
Дата издания:
10-11-90
Дата введения в действие:
06-30-91
Дата завершения срока действия:
07-01-15
Применение и описание
Область и условия применения:
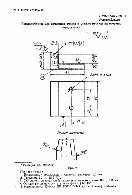
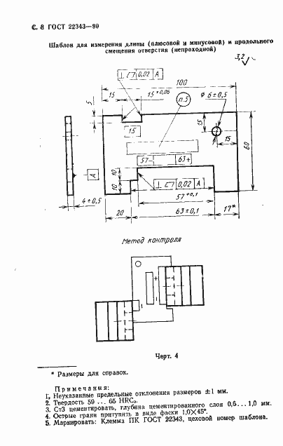
Настоящий стандарт распространяется на жесткие клеммы ПК, применяемые для скрепления железнодорожных рельсов в раздельных рельсовых скреплениях на железобетонных и деревянных шпалах
Связи и замены
Заменяющий:
ГОСТ 22343-2014
Взамен:
ГОСТ 22343-77
Описание стандарта
ГОСТ 22343-90 Клемма раздельного рельсового скрепления железнодорожного пути. Технические условия
Страницы стандарта










