ГОСТ 4121-76 Рельсы крановые. Технические условия
ГОСТ
Скачать ГОСТ в PDF или DOC бесплатно
Основная информация
Обозначение:
ГОСТ 4121-76
Статус:
Заменен
Тип:
ГОСТ
Название русское:
Рельсы крановые. Технические условия
Название английское:
Crane rails. Specifications
Даты и сроки
Дата издания:
08-01-85
Дата введения в действие:
01-01-78
Дата завершения срока действия:
07-01-02
Применение и описание
Область и условия применения:
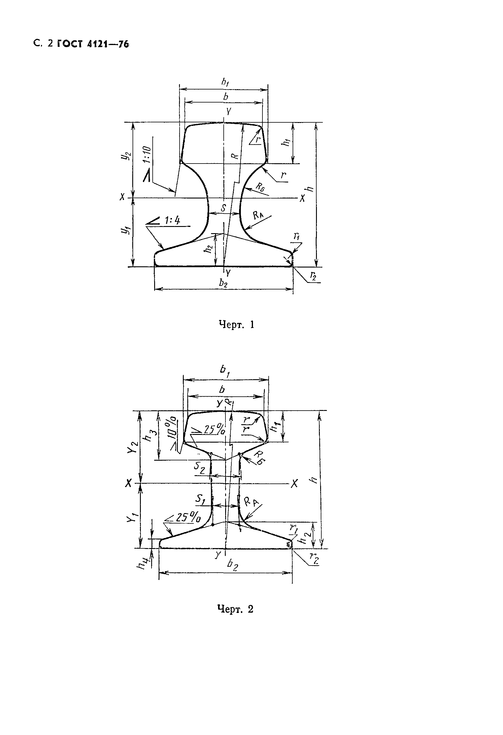
Настоящий стандарт распространяется на стальные крановые рельсы специальных профилей типов КР70-Л (облегченные), КР80, КР100, КР120, КР140, применяемые для подкрановых путей и подъемных кранов
Связи и замены
Заменяющий:
ГОСТ 4121-96
Взамен:
ГОСТ 4121-62
Изменения и переиздания
Список изменений:
№1 от (рег. ) «Срок действия продлен» №2 от (рег. ) «Срок действия продлен» №3 от (рег. ) «Срок действия продлен»
Описание стандарта
ГОСТ 4121-76 Рельсы крановые. Технические условия
Страницы стандарта










