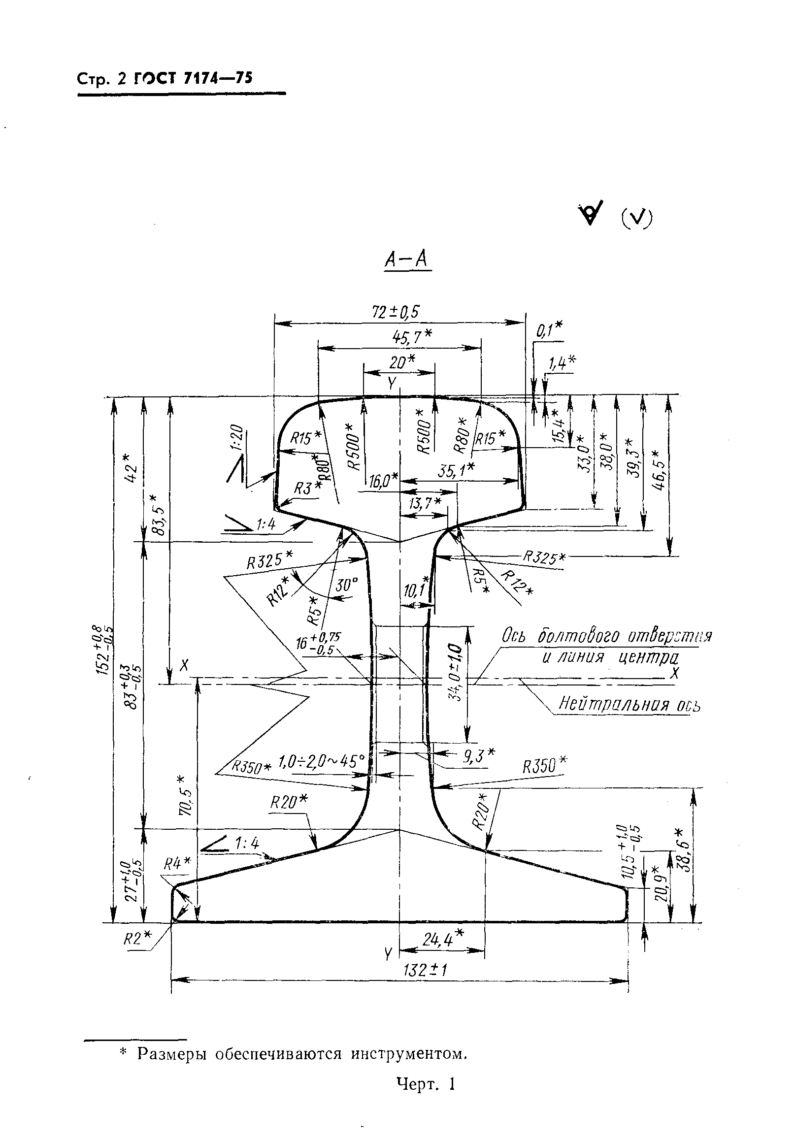
ГОСТ 7174-75 Рельсы железнодорожные типа Р50. Конструкция и размеры
ГОСТ
Скачать ГОСТ в PDF или DOC бесплатно
Основная информация
Обозначение:
ГОСТ 7174-75
Статус:
Утратил силу в РФ
Тип:
ГОСТ
Название русское:
Рельсы железнодорожные типа Р50. Конструкция и размеры
Название английское:
Railway rails type Р50. Construction and dimensions
Даты и сроки
Дата издания:
08-01-85
Дата введения в действие:
01-01-77
Дата завершения срока действия:
07-01-01
Применение и описание
Область и условия применения:
Настоящий стандарт распространяется на закаленные и незакаленные железнодорожные рельсы типа Р50 и устанавливает конструкцию и размеры
Связи и замены
Заменяющий:
-
Взамен:
ГОСТ 7174-65
Изменения и переиздания
Список изменений:
№0 от (рег. ) «Поправка к изменению» №1 от (рег. ) «Срок действия продлен» №2 от (рег. ) «Срок действия продлен»
Описание стандарта
ГОСТ 7174-75 Рельсы железнодорожные типа Р50. Конструкция и размеры
Страницы стандарта






