ГОСТ 16277-2016 Подкладки раздельного скрепления железнодорожного пути. Технические условия
ГОСТ
Скачать ГОСТ в PDF или DOC бесплатно
Основная информация
Обозначение:
ГОСТ 16277-2016
Статус:
Действует
Тип:
ГОСТ
Название русское:
Подкладки раздельного скрепления железнодорожного пути. Технические условия
Название английское:
Plates of separate fastening for railway track. Specifications
Даты и сроки
Дата регистрации:
01-29-16
Дата издания:
09-30-19
Дата введения в действие:
01-01-17
Дата завершения срока действия:
-
Применение и описание
Область и условия применения:
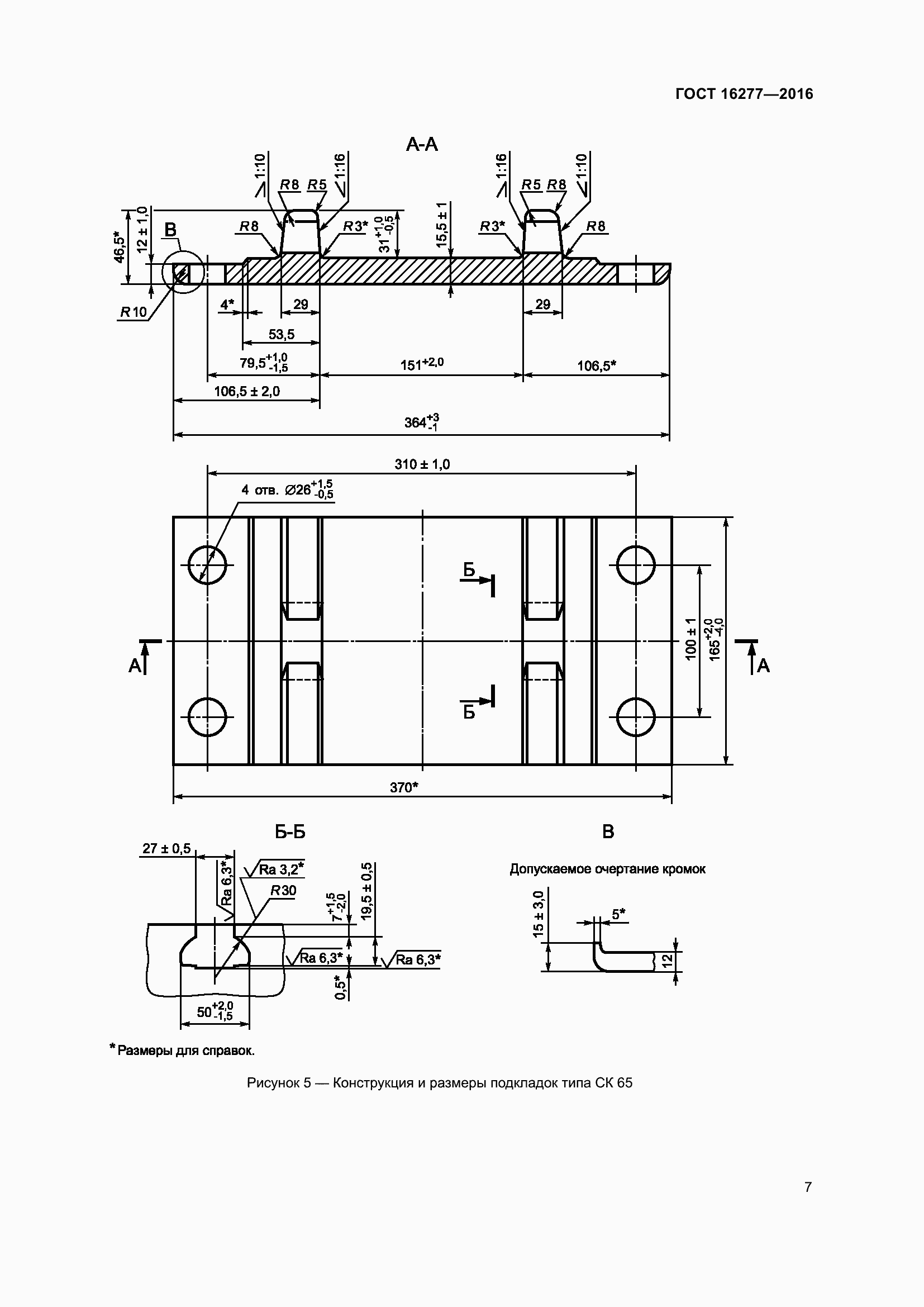
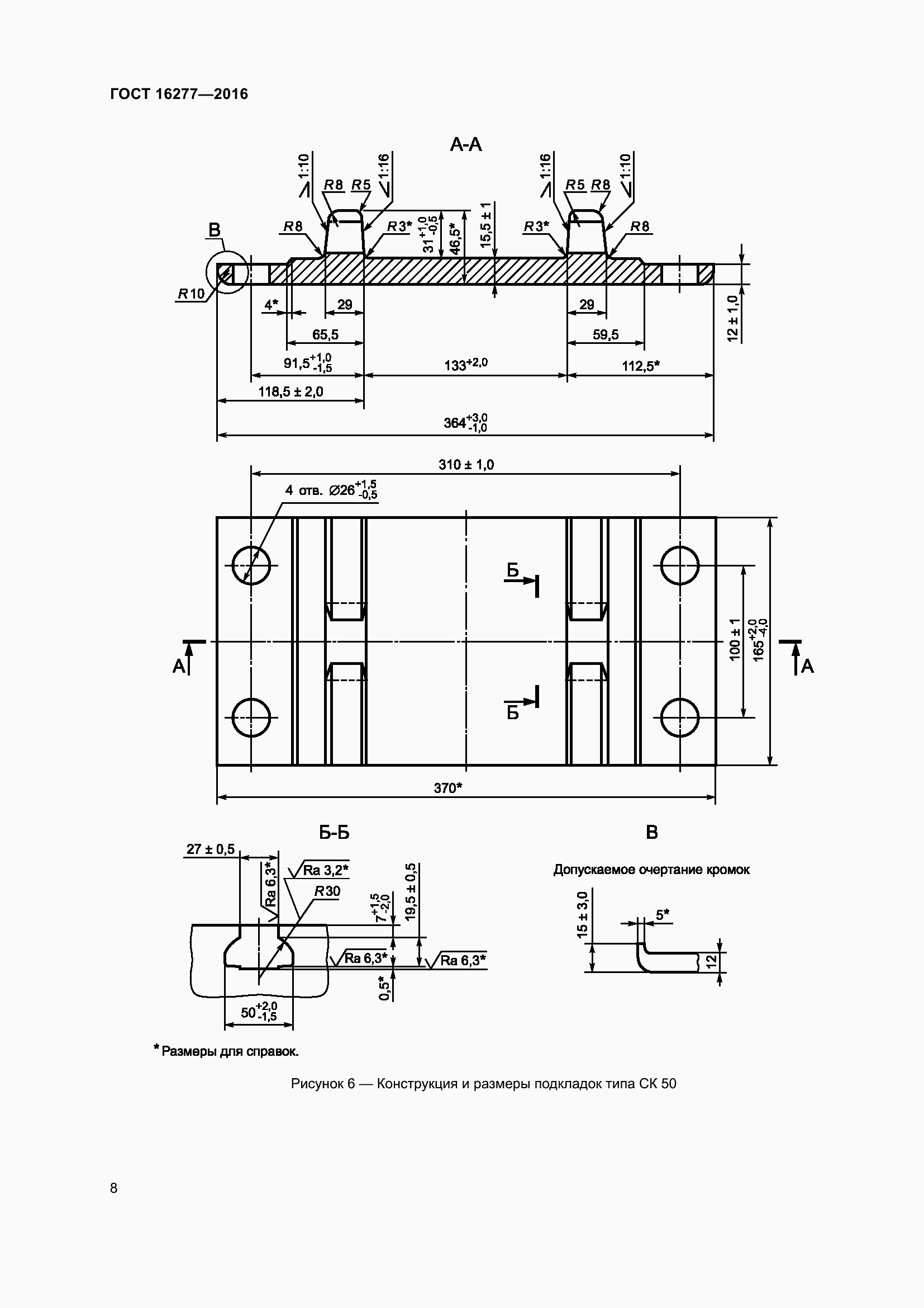
Настоящий стандарт распространяется на подкладки раздельного скрепления для железнодорожного пути на железобетонных и деревянных шпалах с рельсами Р 65 и Р 50, предназначенные для эксплуатации на железнодорожных путях общего и необщего пользования
Связи и замены
Заменяющий:
-
Взамен:
ГОСТ 16277-93
Описание стандарта
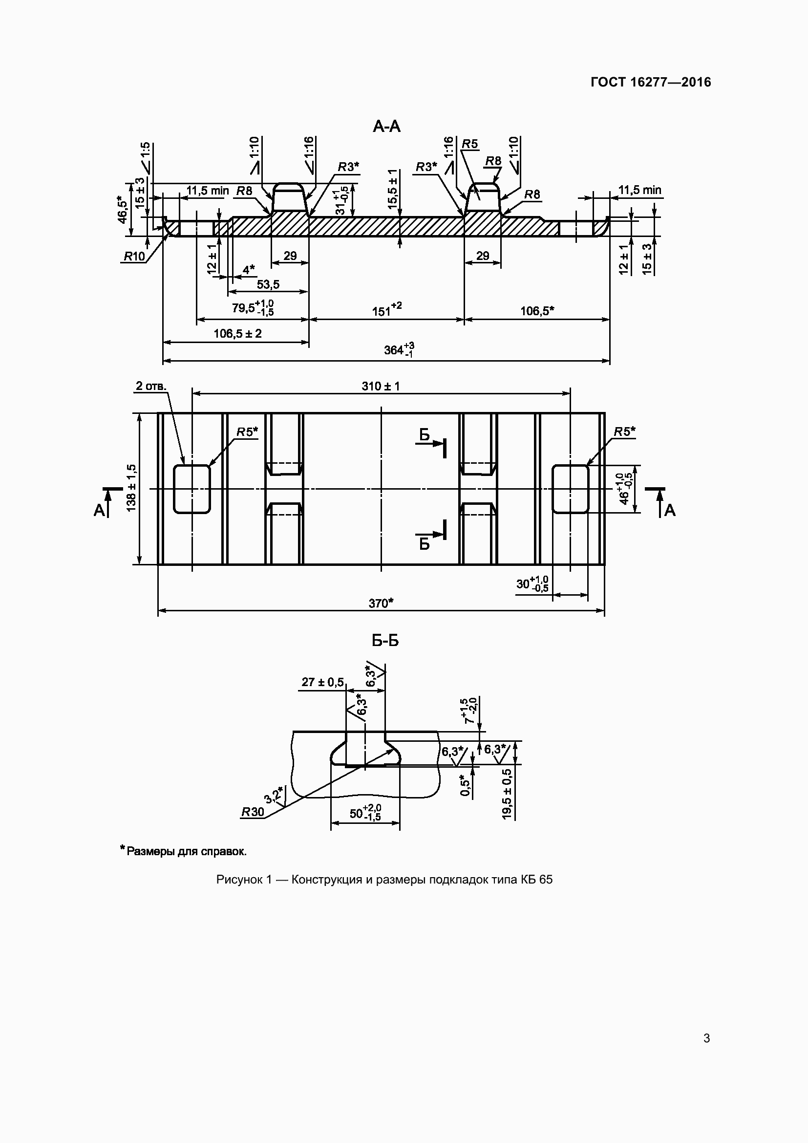
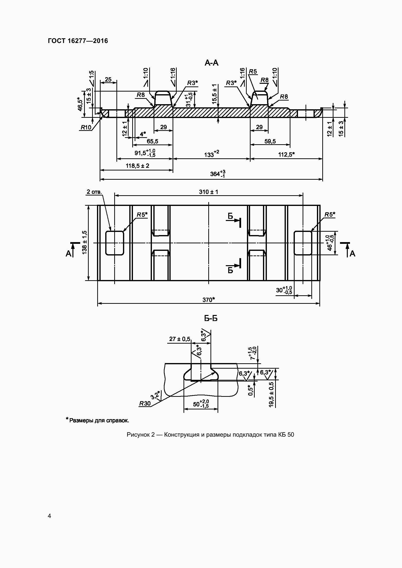
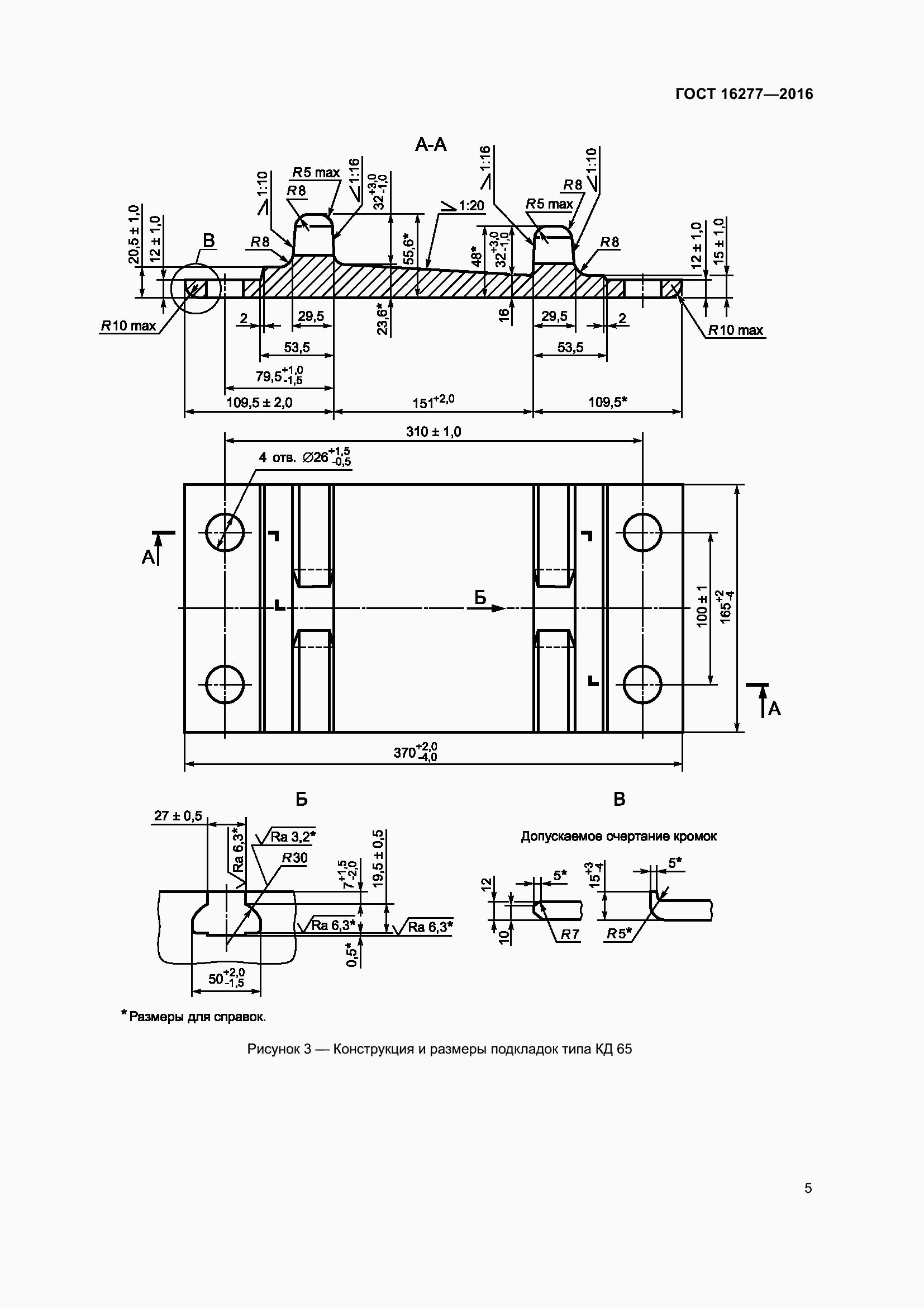
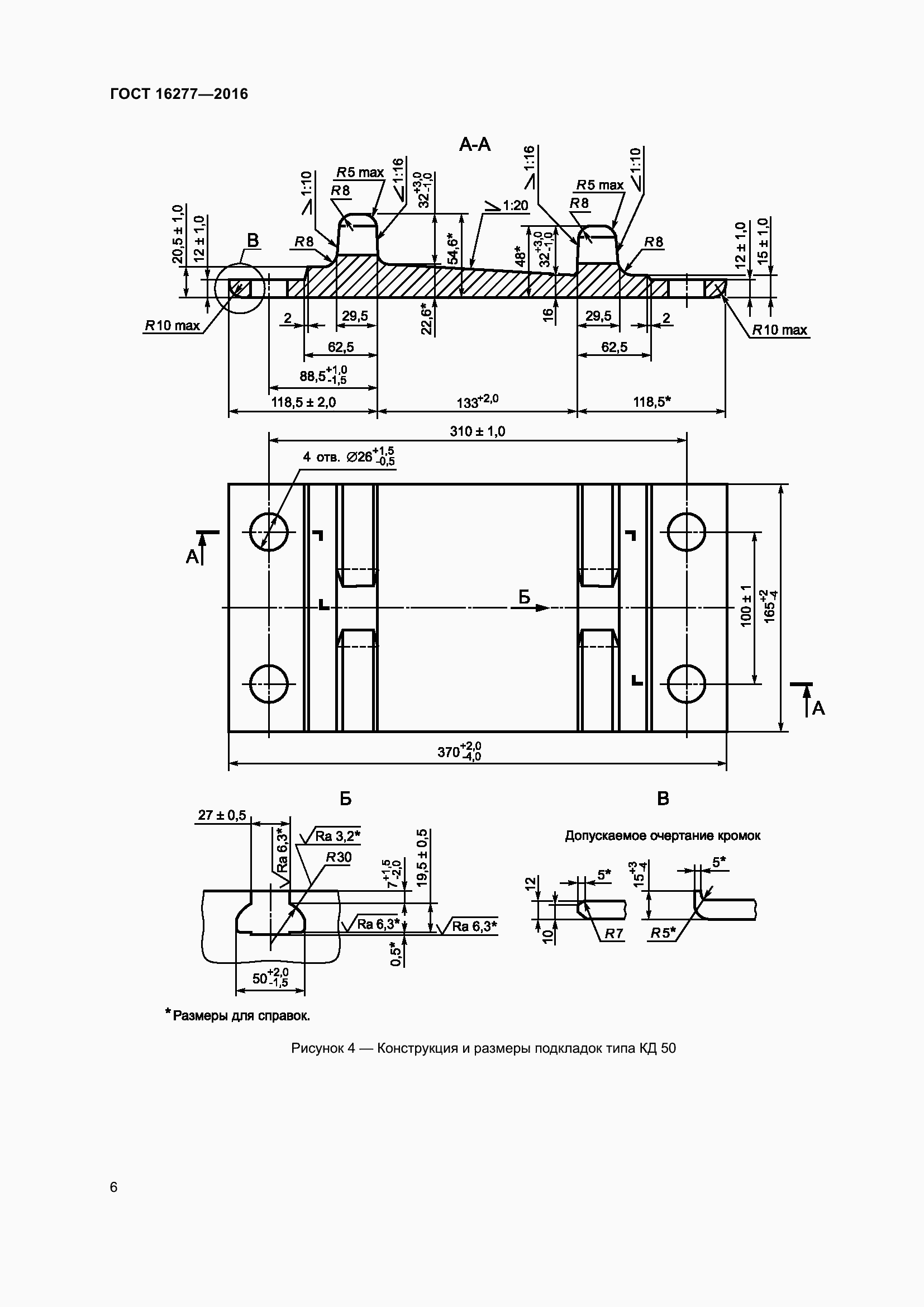
ГОСТ 16277-2016 Подкладки раздельного скрепления железнодорожного пути. Технические условия
Страницы стандарта

























Приложение №1: Изменение к ГОСТ 16277-2016. Поправка к изменению Обозначение: Изменение к ГОСТ 16277-2016. Поправка к изменению Дата введения в действие: 13.05.2025

Приложение №2: Изменение №1 к ГОСТ 16277-2016 Обозначение: Изменение №1 к ГОСТ 16277-2016 Дата введения в действие: 01.02.2024

Приложение №2: Изменение №1 к ГОСТ 16277-2016 Обозначение: Изменение №1 к ГОСТ 16277-2016 Дата введения в действие: 01.02.2024

Приложение №2: Изменение №1 к ГОСТ 16277-2016 Обозначение: Изменение №1 к ГОСТ 16277-2016 Дата введения в действие: 01.02.2024

Приложение №2: Изменение №1 к ГОСТ 16277-2016 Обозначение: Изменение №1 к ГОСТ 16277-2016 Дата введения в действие: 01.02.2024

Приложение №2: Изменение №1 к ГОСТ 16277-2016 Обозначение: Изменение №1 к ГОСТ 16277-2016 Дата введения в действие: 01.02.2024
