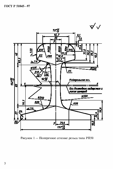
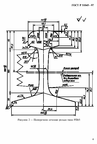
ГОСТ Р 51045-97 Рельсы железнодорожные типов РП50, РП65 и РП75 для путей промышленного железнодорожного транспорта. Общие технические условия
ГОСТ Р
Скачать ГОСТ в PDF или DOC бесплатно
Основная информация
Обозначение:
ГОСТ Р 51045-97
Статус:
Заменен
Тип:
ГОСТ Р
Название русское:
Рельсы железнодорожные типов РП50, РП65 и РП75 для путей промышленного железнодорожного транспорта. Общие технические условия
Название английское:
Steel rails of PП50, PП65 and PП75 types for industrial tracks. General specifications
Даты и сроки
Дата издания:
05-16-97
Дата введения в действие:
01-01-98
Дата завершения срока действия:
07-01-15
Применение и описание
Область и условия применения:
Настоящий стандарт распространяется на рельсы широкой колеи, предназначенные для железнодорожных путей и стрелочных переводов промышленных предприятий
Связи и замены
Заменяющий:
ГОСТ Р 51045-2014
Описание стандарта
ГОСТ Р 51045-97 Рельсы железнодорожные типов РП50, РП65 и РП75 для путей промышленного железнодорожного транспорта. Общие технические условия
Страницы стандарта



















