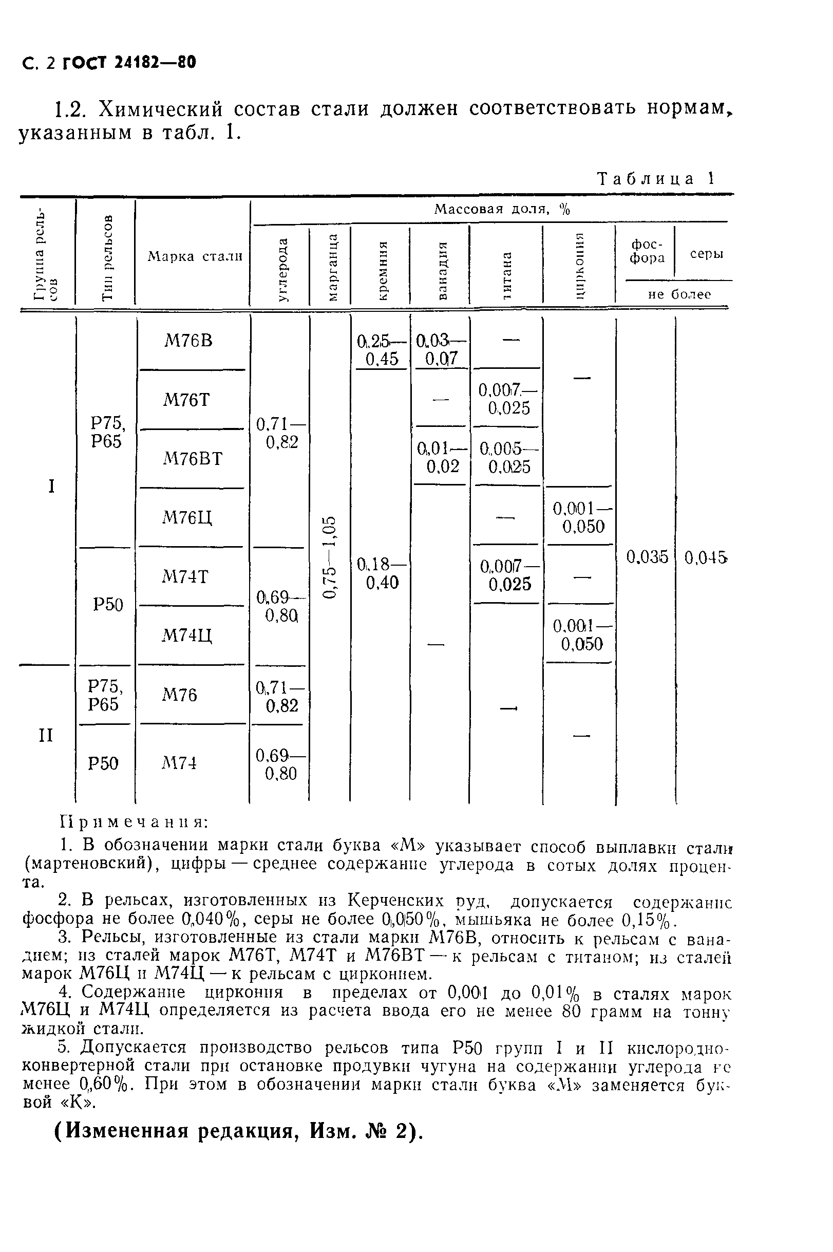
ГОСТ 24182-80 Рельсы железнодорожные широкой колеи типов Р75, Р65 и Р50 из мартеновской стали. Технические условия
ГОСТ
Скачать ГОСТ в PDF или DOC бесплатно
Основная информация
Обозначение:
ГОСТ 24182-80
Статус:
Утратил силу в РФ
Тип:
ГОСТ
Название русское:
Рельсы железнодорожные широкой колеи типов Р75, Р65 и Р50 из мартеновской стали. Технические условия
Название английское:
Open-hearth steel rails, P75, P65 and P50 types for wide gauge railways. Specifications
Даты и сроки
Дата издания:
05-01-88
Дата введения в действие:
06-30-81
Дата завершения срока действия:
07-01-01
Связи и замены
Заменяющий:
-
Взамен:
ГОСТ 8160-63;ГОСТ 6944-63
Изменения и переиздания
Список изменений:
№0 от (рег. ) «Поправка к изменению» №1 от (рег. ) «Срок действия продлен» №2 от (рег. ) «Срок действия продлен» №3 от (рег. ) «Срок действия продлен» №4 от (рег. ) «Срок действия продлен»
Описание стандарта
ГОСТ 24182-80 Рельсы железнодорожные широкой колеи типов Р75, Р65 и Р50 из мартеновской стали. Технические условия
Страницы стандарта






















