ГОСТ 24389-89 Системы кондиционирования воздуха, вентиляции и отопления судов. Расчетные параметры воздуха и расчетная температура забортной воды
ГОСТ
Скачать ГОСТ в PDF или DOC бесплатно
Основная информация
Обозначение:
ГОСТ 24389-89
Статус:
Действует
Тип:
ГОСТ
Название русское:
Системы кондиционирования воздуха, вентиляции и отопления судов. Расчетные параметры воздуха и расчетная температура забортной воды
Название английское:
Air conditioning, ventilating and heating systems for shipboard use. Design characteristics of air and design temperature of sea water
Даты и сроки
Дата издания:
01-03-90
Дата введения в действие:
06-30-90
Дата завершения срока действия:
-
Применение и описание
Область и условия применения:
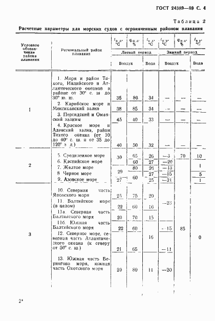
Настоящий стандарт распространяется на системы кондиционирования воздуха, вентиляции и отопления помещений морских, речных, озерных судов, судов смешанного плавания и плавучих буровых установок
Связи и замены
Заменяющий:
-
Взамен:
ГОСТ 24389-80
Описание стандарта
ГОСТ 24389-89 Системы кондиционирования воздуха, вентиляции и отопления судов. Расчетные параметры воздуха и расчетная температура забортной воды
Страницы стандарта



















