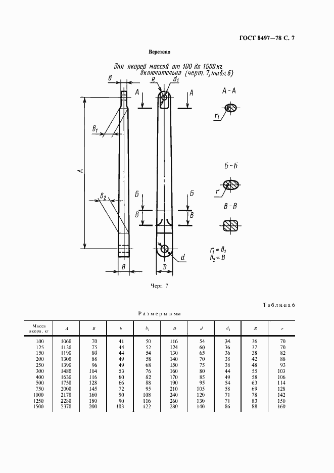
ГОСТ 8497-78 Якоря Матросова. Технические условия
ГОСТ
Скачать ГОСТ в PDF или DOC бесплатно
Основная информация
Обозначение:
ГОСТ 8497-78
Статус:
Действует
Тип:
ГОСТ
Название русское:
Якоря Матросова. Технические условия
Название английское:
Matrosov`s anchor. Specifications
Даты и сроки
Дата издания:
12-01-03
Дата введения в действие:
01-01-80
Дата завершения срока действия:
-
Применение и описание
Область и условия применения:
Настоящий стандарт распространяется на якоря Матросова, применяемые на надводных кораблях, судах и плавсредствах внутреннего плавания, изготовляемые для нужд народного хозяйства и экспорта
Связи и замены
Заменяющий:
-
Взамен:
ГОСТ 8497-68
Изменения и переиздания
Список изменений:
№1 от (рег. ) «Срок действия продлен» №2 от (рег. ) «Срок действия продлен» №3 от (рег. ) «Срок действия продлен» №4 от (рег. ) «Срок действия продлен»
Описание стандарта
ГОСТ 8497-78 Якоря Матросова. Технические условия
Страницы стандарта














