ГОСТ Р 70597-2022 Суда морские. Соединение фланцевое международное для слива нефтесодержащих вод и нефтяных остатков. Размеры и технические требования
ГОСТ Р
Скачать ГОСТ в PDF или DOC бесплатно
Основная информация
Обозначение:
ГОСТ Р 70597-2022
Статус:
Действует
Тип:
ГОСТ Р
Название русское:
Суда морские. Соединение фланцевое международное для слива нефтесодержащих вод и нефтяных остатков. Размеры и технические требования
Название английское:
Marine ships. International flange connection for the discharge of oily bilge water and oil residues. Dimensions and technical requirements
Даты и сроки
Дата издания:
01-13-23
Дата введения в действие:
06-01-23
Дата завершения срока действия:
-
Применение и описание
Область и условия применения:
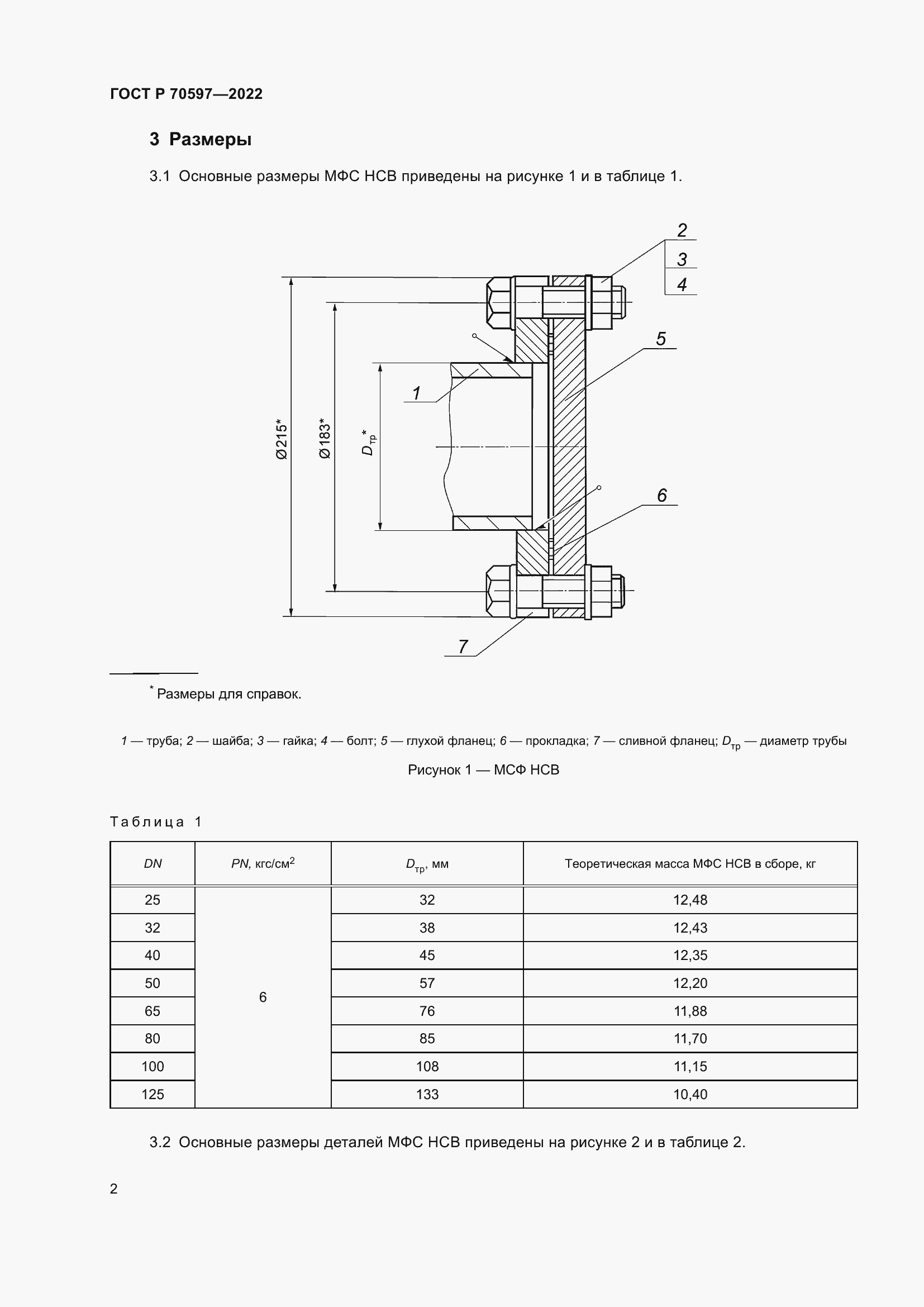
Настоящий стандарт устанавливает размеры и технические требования к конструкции международного фланцевого соединения (МФС) для слива нефтесодержащих вод (НСВ) и нефтяных остатков с морских судов на суда–сборщики загрязненных вод или в береговые сооружения (далее – МФС НСВ)
Связи и замены
Заменяющий:
-
Описание стандарта
ГОСТ Р 70597-2022 Суда морские. Соединение фланцевое международное для слива нефтесодержащих вод и нефтяных остатков. Размеры и технические требования
Страницы стандарта







