ГОСТ Р ИСО 3926-2005 Судостроение. Внутреннее судоходство. Устройства для приема топлива и масла. Присоединительные размеры
ГОСТ Р ИСО
Скачать ГОСТ в PDF или DOC бесплатно
Основная информация
Обозначение:
ГОСТ Р ИСО 3926-2005
Статус:
Действует
Тип:
ГОСТ Р ИСО
Название русское:
Судостроение. Внутреннее судоходство. Устройства для приема топлива и масла. Присоединительные размеры
Название английское:
Shipbuilding. Inland navigation. Couplings for oil and fuel reception. Mating dimensions
Даты и сроки
Дата издания:
04-01-08
Дата введения в действие:
01-01-07
Дата завершения срока действия:
-
Применение и описание
Область и условия применения:
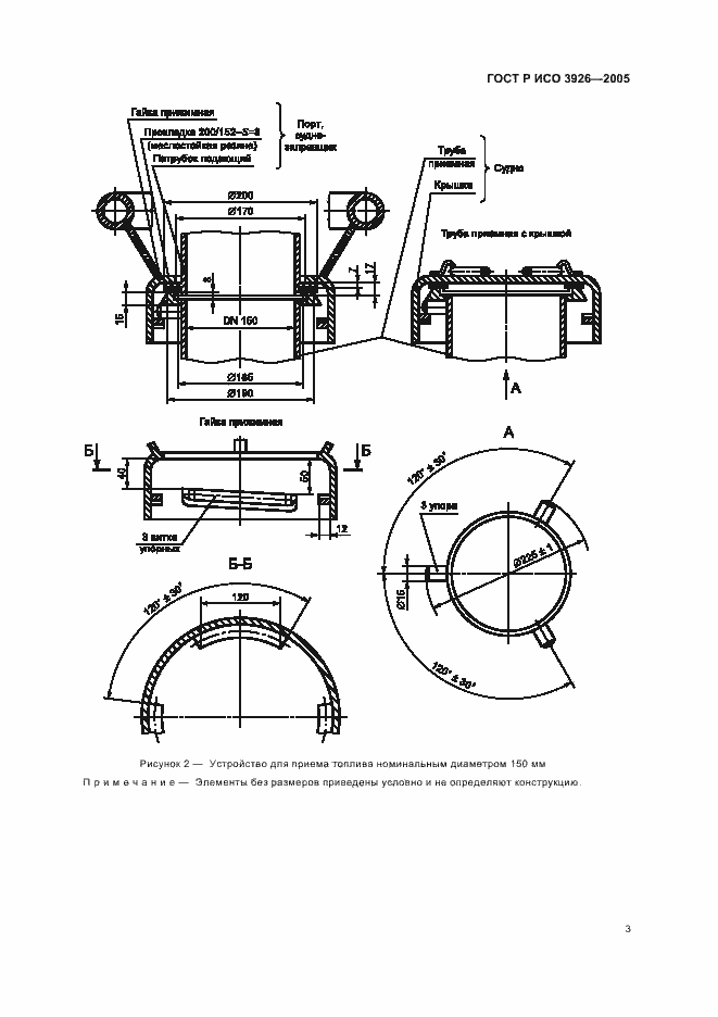
Настоящий стандарт устанавливает присоединительные размеры устройств для приема топлива и масла при номинальном давлении PN 2,5 на судах внутреннего плавания и в портовых установках, используемых этими судами. Настоящий стандарт не распространяется на соответствующие устройства грузовых систем судов, предназначенных для перевозки нефтепродуктов
Связи и замены
Заменяющий:
-
Описание стандарта
ГОСТ Р ИСО 3926-2005 Судостроение. Внутреннее судоходство. Устройства для приема топлива и масла. Присоединительные размеры
Страницы стандарта






