ГОСТ Р ИСО 8385-93 Судостроение и морские сооружения. Суда и плавсредства внутреннего плавания. Дноуглубительные снаряды. Классификация
ГОСТ Р ИСО
Скачать ГОСТ в PDF или DOC бесплатно
Основная информация
Обозначение:
ГОСТ Р ИСО 8385-93
Статус:
Заменен
Тип:
ГОСТ Р ИСО
Название русское:
Судостроение и морские сооружения. Суда и плавсредства внутреннего плавания. Дноуглубительные снаряды. Классификация
Название английское:
Shipbuilding and marine structures. Inland navigation vessels. Dredgers. Classification
Даты и сроки
Дата издания:
09-15-93
Дата введения в действие:
06-30-94
Дата завершения срока действия:
01-01-12
Применение и описание
Область и условия применения:
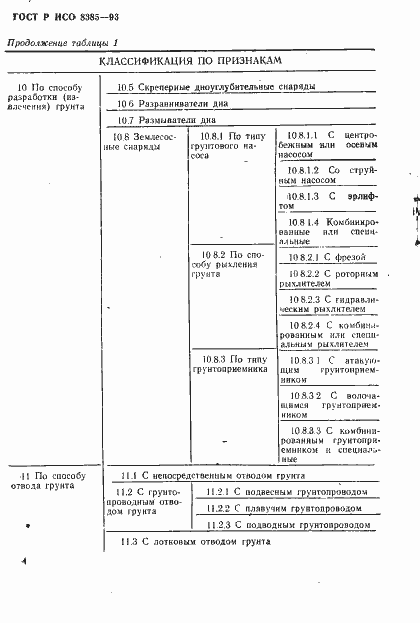
Настоящий стандарт устанавливает единую классиикацию всех типов дноуглубительных снарядов (дноуглубительный снаряд это судно или плавучее средство для углубления дна), предназначенных для изменения в интересах судоходства размеров водных путей путем извлечения или перемещения грунта
Связи и замены
Заменяющий:
ГОСТ Р ИСО 8385-2011
Описание стандарта
ГОСТ Р ИСО 8385-93 Судостроение и морские сооружения. Суда и плавсредства внутреннего плавания. Дноуглубительные снаряды. Классификация
Страницы стандарта







