ГОСТ 21467-81 Амортизаторы бортового оборудования летательных аппаратов. Типы, основные параметры, размеры и технические требования
ГОСТ
Скачать ГОСТ в PDF или DOC бесплатно
Основная информация
Обозначение:
ГОСТ 21467-81
Статус:
Действует
Тип:
ГОСТ
Название русское:
Амортизаторы бортового оборудования летательных аппаратов. Типы, основные параметры, размеры и технические требования
Название английское:
Vehicle airborne equipment shock absorbers. Types, main characteristics, dimensions and technical requirements
Даты и сроки
Дата издания:
11-16-81
Дата введения в действие:
06-30-82
Дата завершения срока действия:
-
Применение и описание
Область и условия применения:
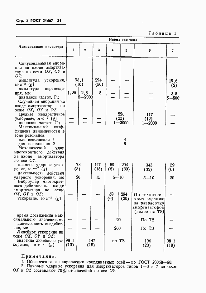
Настоящий стандарт устанавливает типы, основные параметры, размеры и технические требования к амортизаторам бортового оборудования летательных аппаратов, предназначенным для защиты бортового оборудования от воздействия вибрации и ударов, действующих в любом направлении. Стандарт не распространяется на амортизаторы космических аппаратов (искусственные спутники, межпланетные станции, орбитальные корабли и станции и т.д.)
Связи и замены
Заменяющий:
-
Взамен:
ГОСТ 21467-76
Изменения и переиздания
Список изменений:
№1 от (рег. ) «Срок действия продлен»
Описание стандарта
ГОСТ 21467-81 Амортизаторы бортового оборудования летательных аппаратов. Типы, основные параметры, размеры и технические требования
Страницы стандарта










