ГОСТ Р 18.3.01-2016 Технологии авиатопливообеспечения. Типовые схемы
ГОСТ Р
Скачать ГОСТ в PDF или DOC бесплатно
Основная информация
Обозначение:
ГОСТ Р 18.3.01-2016
Статус:
Заменен
Тип:
ГОСТ Р
Название русское:
Технологии авиатопливообеспечения. Типовые схемы
Название английское:
Technology of the aviation fueling. Typical schemes
Даты и сроки
Дата издания:
02-13-17
Дата введения в действие:
08-01-17
Дата завершения срока действия:
09-01-23
Применение и описание
Область и условия применения:
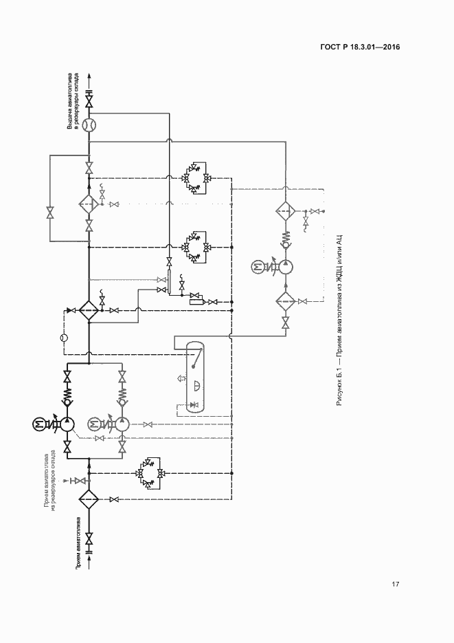
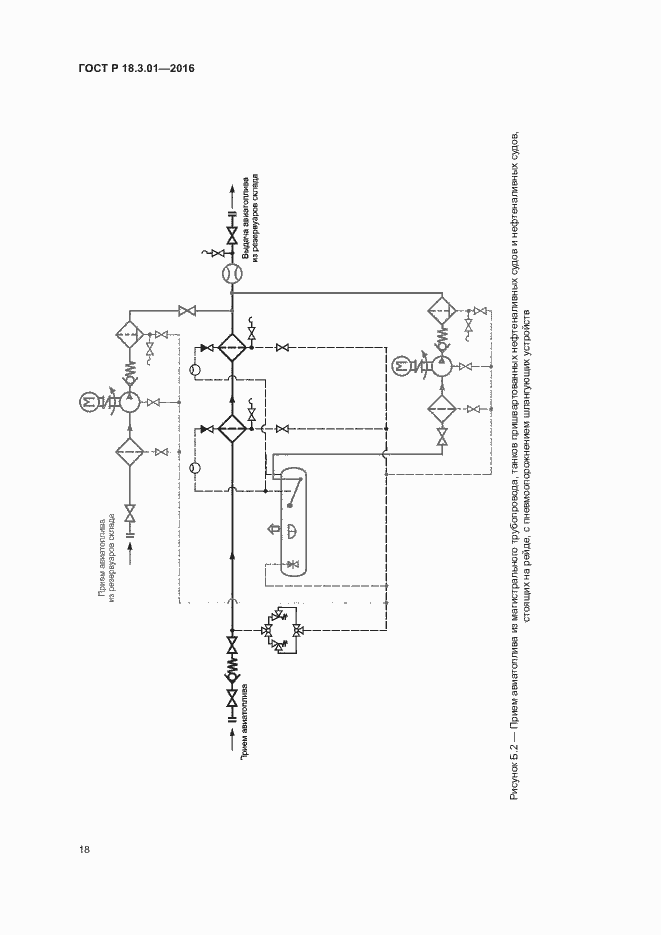
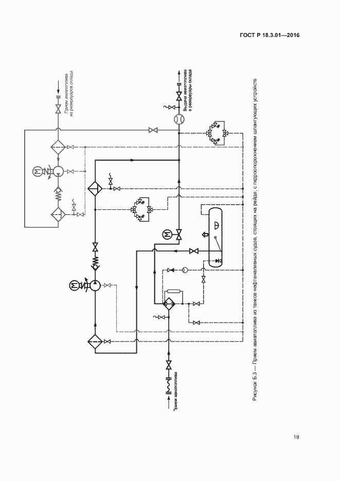
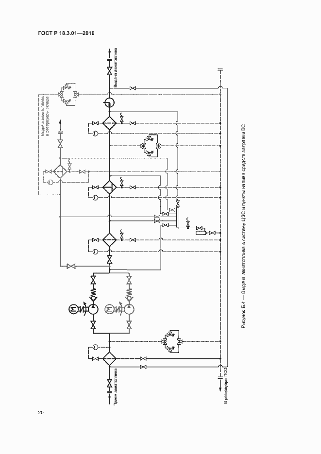
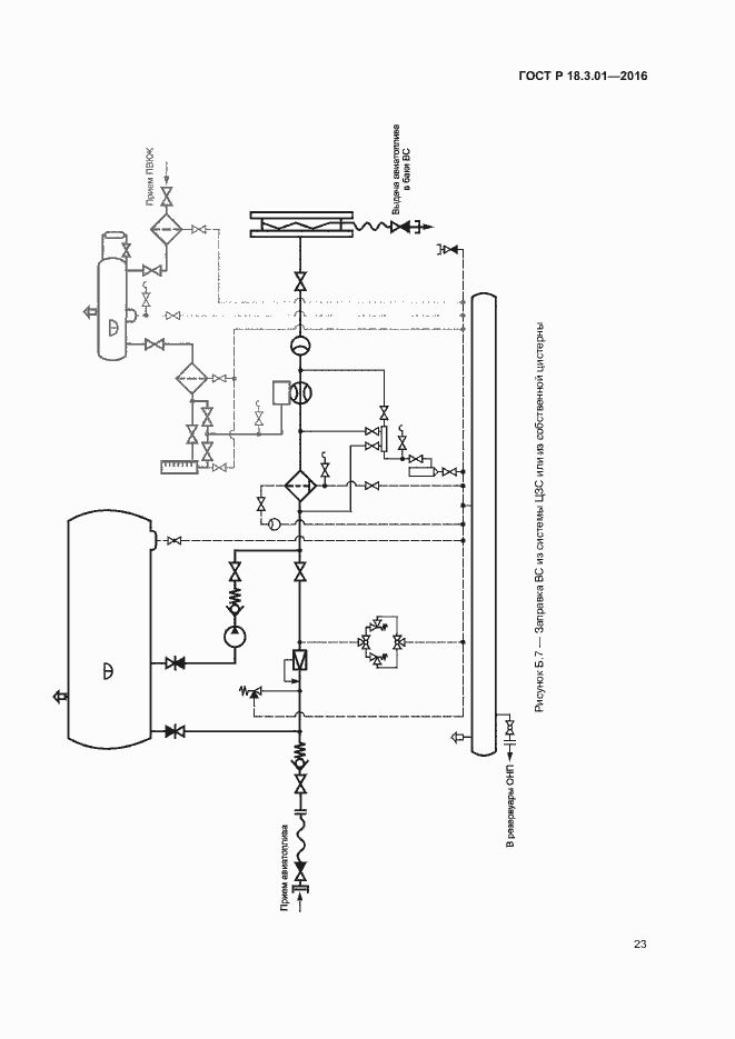
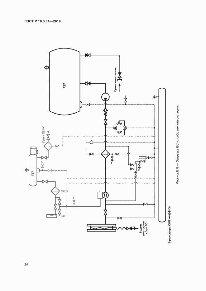
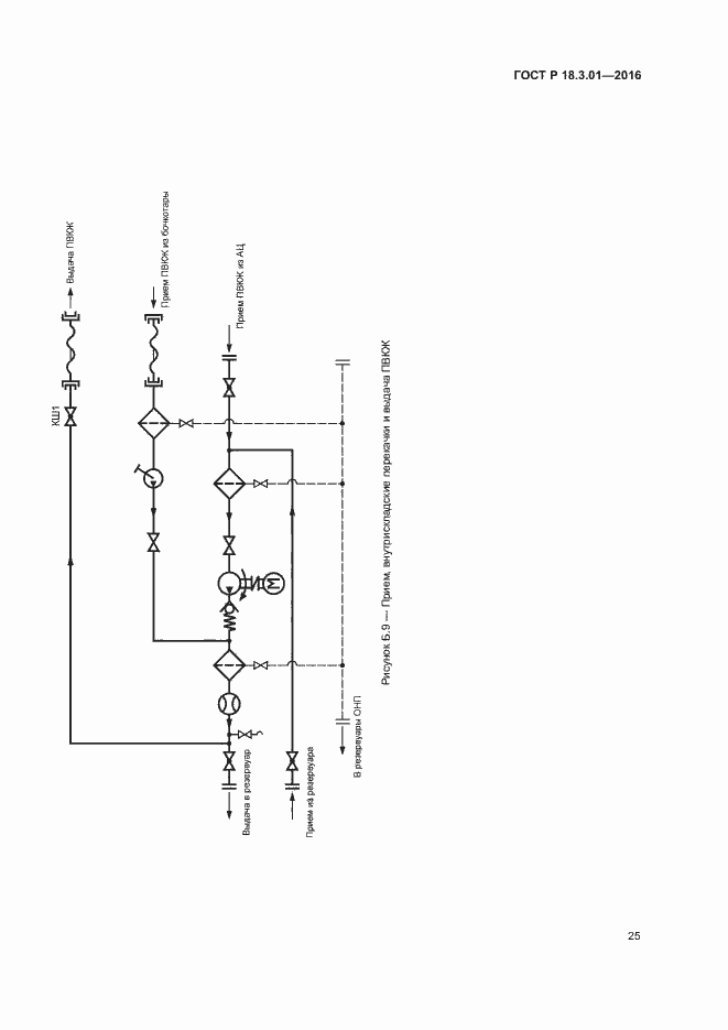
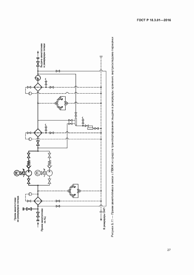
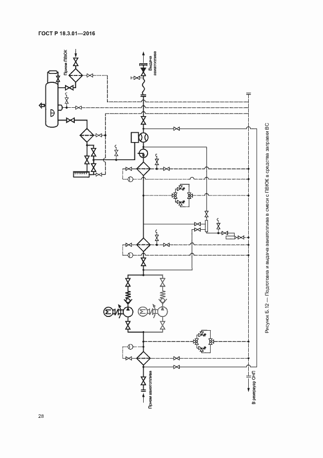
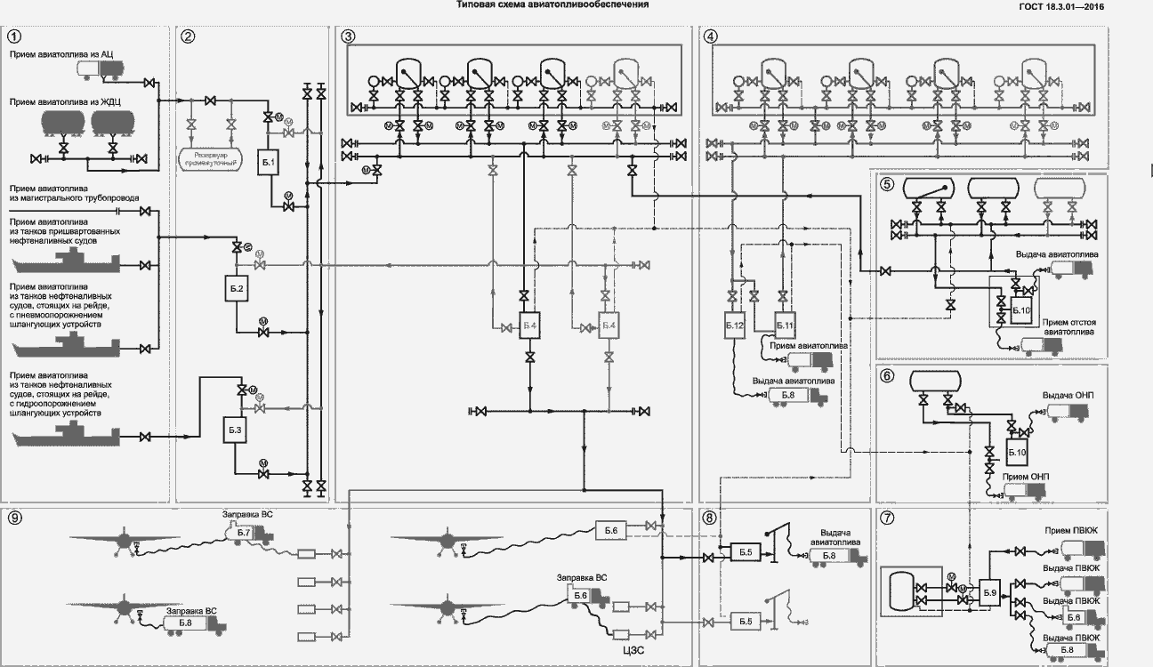
Настоящий стандарт устанавливает требования к типовой схеме авиатопливообеспечения и принципиальным гидравлическим схемам технологических модулей авиатопливообеспечения. Настоящий стандарт предназначен для использования при проектировании, реконструкции, модернизации и эксплуатации производственных объектов, инфраструктуры и технологического оборудования организаций авиатопливообеспечения на аэродромах и вертодромах государственной, гражданской и экспериментальной авиации, посадочных площадках с соблюдением требований действующих норм охраны труда, правил промышленной, пожарной и экологической безопасности и охраны окружающей среды. В настоящем стандарте учтены основные нормативные положения правил, руководств и рекомендуемых практик ИКАО и ИАТА [1] - [12]
Связи и замены
Заменяющий:
ГОСТ Р 18.3.01-2023
Изменения и переиздания
Список изменений:
№0 от (рег. ) «Изменено обозначение»
Описание стандарта
ГОСТ Р 18.3.01-2016 Технологии авиатопливообеспечения. Типовые схемы
Страницы стандарта


































