ГОСТ 14115-85 Устройства строповые для сосудов и аппаратов. Штуцера монтажные удлиненные. Конструкция и размеры
ГОСТ
Скачать ГОСТ в PDF или DOC бесплатно
Основная информация
Обозначение:
ГОСТ 14115-85
Статус:
Действует
Тип:
ГОСТ
Название русское:
Устройства строповые для сосудов и аппаратов. Штуцера монтажные удлиненные. Конструкция и размеры
Название английское:
Vessels attaching rigs. Oblong erection lugs. Design and dimensions
Даты и сроки
Дата издания:
01-01-99
Дата введения в действие:
01-01-86
Дата завершения срока действия:
-
Применение и описание
Область и условия применения:
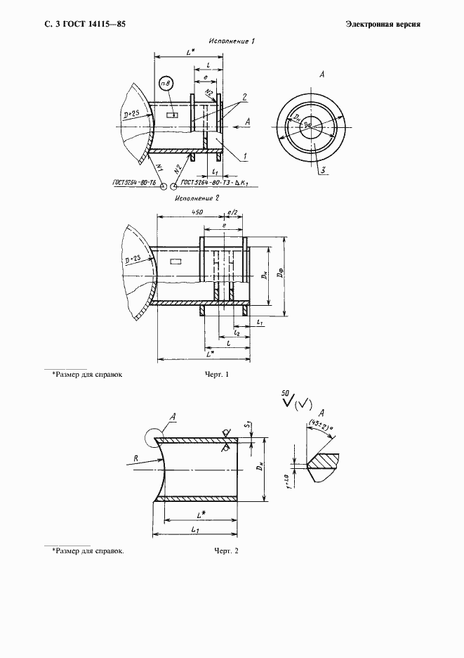
Настоящий стандарт распространяется на удлиненные монтажные штуцера (далее - штуцера), применяемые при строповке канатами для подъема стреловыми кранами стальных цилиндрических сосудов и аппаратов нефтеперерабатывающей, нефтехимической, химической и других отраслей промышленности, с усилием на один штуцер от 200 до 1000 кН (от 20 до 100 тс)
Связи и замены
Заменяющий:
-
Взамен:
ГОСТ 14115-78
Изменения и переиздания
Список изменений:
№1 от (рег. ) «Срок действия продлен»
Описание стандарта
ГОСТ 14115-85 Устройства строповые для сосудов и аппаратов. Штуцера монтажные удлиненные. Конструкция и размеры
Страницы стандарта







