ГОСТ 18678-73 Чашки пломбировочные. Конструкция и размеры
ГОСТ
Скачать ГОСТ в PDF или DOC бесплатно
Основная информация
Обозначение:
ГОСТ 18678-73
Статус:
Действует
Тип:
ГОСТ
Название русское:
Чашки пломбировочные. Конструкция и размеры
Название английское:
Sealing cups. Design and dimensions
Даты и сроки
Дата издания:
12-01-91
Дата введения в действие:
01-01-74
Дата завершения срока действия:
-
Применение и описание
Область и условия применения:
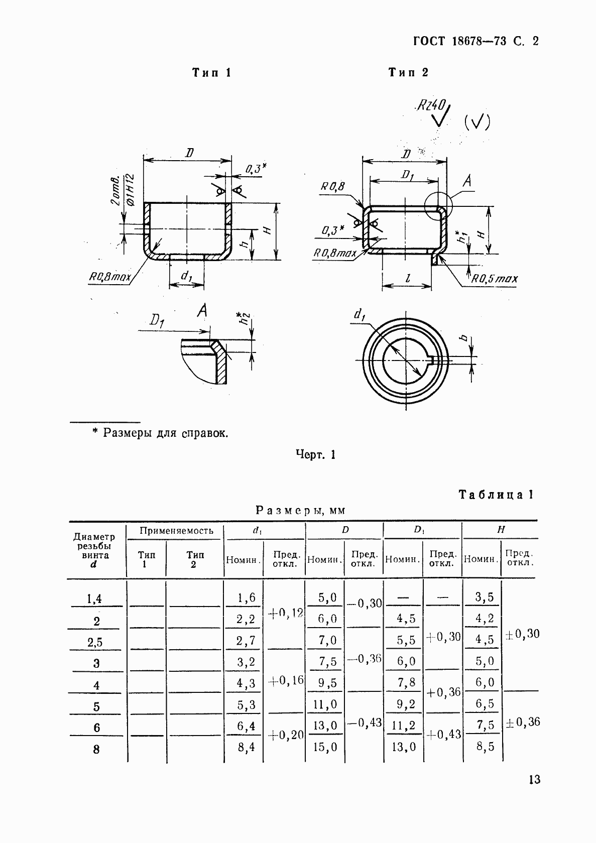
Настоящий стандарт распространяется на пломбировочные чашки, предназначенные для пломбирования мастикой изделий и их составных частей
Связи и замены
Заменяющий:
-
Изменения и переиздания
Список изменений:
№1 от (рег. ) «Срок действия продлен» №2 от (рег. ) «Срок действия продлен» №3 от (рег. ) «Срок действия продлен» №4 от (рег. ) «Срок действия продлен» №5 от (рег. ) «Срок действия продлен» №6 от (рег. ) «Срок действия продлен»
Описание стандарта
ГОСТ 18678-73 Чашки пломбировочные. Конструкция и размеры
Страницы стандарта









Приложение №6: Изменение №6 к ГОСТ 18678-73 Обозначение: Изменение №6 к ГОСТ 18678-73 Дата введения в действие: 01.01.2002
