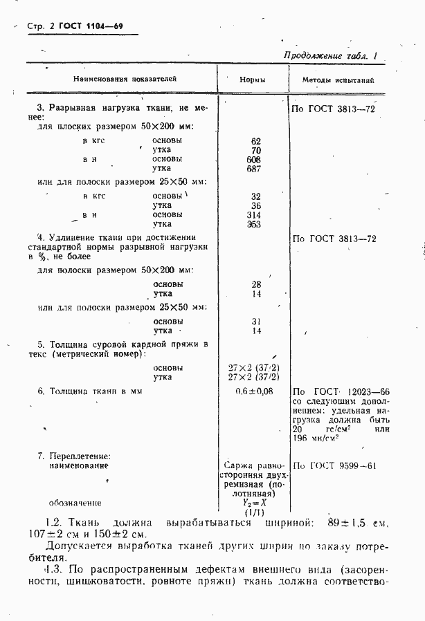
ГОСТ 1104-69 Ткань хлопчатобумажная доместик. Технические условия
ГОСТ
Скачать ГОСТ в PDF или DOC бесплатно
Основная информация
Обозначение:
ГОСТ 1104-69
Статус:
Действует
Тип:
ГОСТ
Название русское:
Ткань хлопчатобумажная доместик. Технические условия
Название английское:
Cotton fabrics domestic. Specifications
Даты и сроки
Дата издания:
04-01-78
Дата введения в действие:
01-01-71
Дата завершения срока действия:
-
Применение и описание
Область и условия применения:
Настоящий стандарт распространяется на суровую неаппретированную хлопчатобумажную ткань доместик, применяемую для изготовления резино-технических изделий и других технических целей
Связи и замены
Заменяющий:
-
Взамен:
ГОСТ 1104-41
Изменения и переиздания
Список изменений:
№0 от (рег. ) «Срок действия продлен» №1 от (рег. ) «Срок действия продлен» №2 от (рег. ) «Срок действия продлен»
Описание стандарта
ГОСТ 1104-69 Ткань хлопчатобумажная доместик. Технические условия
Страницы стандарта








